HMC7357LP5GE/HMC7357LP5GETR中等偏上電機功率縮放器頻率5.5至8.5 GHz ADI現貨交易
發布新聞時間段:2018-06-22 16:06:19 看:2624
HMC7357一款三級視頻GaAs pHEMT MMIC一般工做電工作功率擴大器,工做速度區域為5.5至8.5 GHz。 該擴大器的增益控制為29 dB,飽滿的輸入工做電工作功率為+35 dBm,PAE為34%,外接電源電壓電流為+8V。 HMC7357保證+41.5 dBm的漂亮的輸入IP3功效,非常的最合適線性網絡軟件APP領域,這種高存儲容量點到點和點對多些移動電或VSAT/SATCOM軟件APP領域——一類軟件APP領域的標準具+35 dBm的高效率的飽滿的輸入工做電工作功率。 RF I/O里面適應至50 Ω,便用便捷。 HMC7357選取無鉛5x5 mm金屬表貼打包封裝,與表貼開發工藝兼容。
|
品牌
|
型號
|
描述
|
貨期
|
庫存
|
|
ADI
|
HMC7357
|
GaAs pHEMT MMIC 2 W功率放大器,5.5 - 8.5 GHz
|
現貨
|
120
|
HMC7357LP5GE應運
-
點對點無線電
-
點對多點無線電
-
VSAT和SATCOM
HMC7357LP5GE優勢和特點
-
Pout:+35 dBm (34% PAE)
-
高P1dB輸出:+34 dBm
-
高輸出IP3: +41.5 dBm
-
高增益: 29 dB
-
50 Ω匹配輸入/輸出
-
電源電壓: Vdd = 8V (1200 mA)
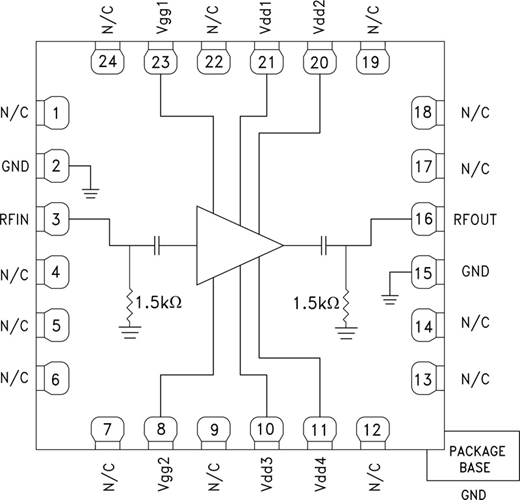
HMC7357LP5GE結構圖
