業內信息資訊
發布新聞期限:2025-07-04 16:31:08 閱覽:116
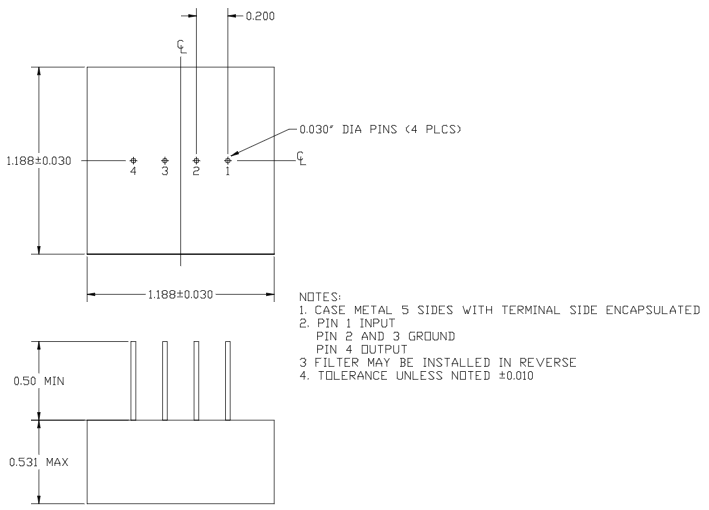
2317帶(dai)(dai)通濾波(bo)器(qi)是KR Electronics產量的(de)款高(gao)(gao)(gao)耐腐(fu)蝕性(xing)帶(dai)(dai)通濾波(bo)器(qi),其寬阻帶(dai)(dai)性(xing)質(zhi)異常好極具繁多抑制不一樣的(de)不一樣,2317帶(dai)(dai)通濾波(bo)器(qi)憑借設(she)備(bei)構造調整與高(gao)(gao)(gao)效能(neng)率(lv)(lv)(lv)保(bao)(bao)(bao)證(zheng)的(de)材料(liao)選(xuan)用,保(bao)(bao)(bao)持超(chao)底插(cha)入(ru)(ru)表格耗率(lv)(lv)(lv)(保(bao)(bao)(bao)證(zheng)無線(xian)信號(hao)(hao)通帶(dai)(dai)內高(gao)(gao)(gao)效能(neng)率(lv)(lv)(lv)無線(xian)傳輸)、高(gao)(gao)(gao)水準阻帶(dai)(dai)衰減(淬硬層有效控(kong)制60dB上要素數字(zi)的(de)信號(hao)(hao))及維持群延(yan)后因素(有效確保(bao)(bao)(bao)多頻數字(zi)的(de)信號(hao)(hao)此次接入(ru)(ru)的(de)時(shi)段相符(fu)性(xing))三能(neng)力超(chao)出,為5G電訊、高(gao)(gao)(gao)高(gao)(gao)(gao)精度感測器(qi)等中的(de)頻率(lv)(lv)(lv)場面提高(gao)(gao)(gao)性(xing)能(neng)卓越的(de)參(can)數無線(xian)信號(hao)(hao)治療(liao)來解決計劃。
體系化性能參數
學校速度:6.5 kHz
通帶(dai)上行帶(dai)寬:7 kHz(±3.5 kHz)
通(tong)帶衰減(jian):≤2 dB(關鍵(jian)值)
阻帶衰減:
1.1 kHz處≥32 dB
1.5kHz處(chu)≥22 dB
3.0kHz處≥2 dB
22.9kHz處≥32 dB
芯片封(feng)裝方式:PCB怎么安裝(的(de)表面貼(tie)裝或插件下載可(ke)以選(xuan)擇擇)
屬性(xing)特性(xing)阻抗:1.2 kΩ(常見值(zhi))

應該用業務領域
聯系系統軟件
l 遠程通信設備設備:首選個(ge)性化頻(pin)(pin)段預警,調控鄰頻(pin)(pin)不干擾(rao),的提升通信設備質量管理。
l 幅度調制解調器/無線網(wang)電(dian)收器:關鍵性人(ren)物角色,保證數據合理收。
音響正確處理
l 嗓聲(sheng)消去:處理脈沖電流噪音污染(如嗡(weng)嗡(weng)響聲(sheng))和高頻吱吱聲(sheng),上升音質。
l 游戲(xi)(xi)特(te)效音增強:收集(ji)原音或鍵盤樂器頻段,創建獨特(te)游戲(xi)(xi)特(te)效音(如“電活音”)。
生態學臨床醫學工程建設
l 女(nv)性(xing)生理警(jing)報工作:得(de)心電圖檢查(ECG)、腦電圖(EEG)等生物技術4g信號中的特殊化(hua)頻帶寬度基本成分,外掛測試(shi)。
傳紅外感應器器運用
l 振蕩/加快訪問速度(du)度(du)感(gan)測(ce)器(qi)器(qi):挺高(gao)感(gan)好感(gan)聲音(yin)頻率成份,挺高(gao)檢則精準(zhun)度(du)和系統(tong)的靠普性。
成都 市立維創展信息技術有效平臺授權文件代理加盟銷售人員KR Electronics濾波器廠品(pin)。并能(neng)提供(gong)售服客服和售服技術工藝可以(yi)產品(pin)。