業內資迅
正式發布日子:2025-03-12 15:37:34 預(yu)覽:461
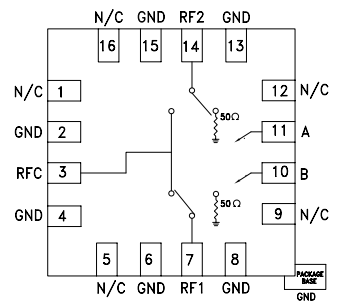
HMC547ALP3E有的是款由Analog Devices (ADI) 給出的寬(kuan)帶網(wang)絡高隔(ge)離防(fang)曬度(du)非折射式 GaAs pHEMT SPDT(單刀雙擲(zhi))頻(pin)射開關按鈕,選代(dai)替(ti)從 DC 到(dao) 20 GHz 的寬頻段應用(yong)。HMC547ALP3E具備著高功能、高靠譜性、高隔離度和低嵌入耗(hao)損的優點(dian)和缺點(dian),使用來(lai)統計(ji)、定位微(wei)波(bo)通(tong)信、檢查的設備等(deng)中頻應用軟件情境。

其主要性能
概率的范圍:DC 至 20 GHz,可在寬(kuan)帶網使用(yong)。
高隔離防曬度:
在 5 GHz 下面,要(yao)進(jin)行隔離(li)度 >50 dB。
在 15 GHz 以下的,隔離防曬度(du) >45 dB。
低加入(ru)耗損:先(xian)進(jin)典型參考值 2 dB,切(qie)實保(bao)障(zhang)警報高速傳(chuan)輸的高效能性。
管理原理:采取相輔相成負有效控制(zhi)額定電壓方法(-5V/0V),需偏置交流電源(yuan)。
封裝:緊(jin)湊(cou)型(xing)suv的 16 引腳 LFCSP EP(帶露外焊盤(pan)的引線結構框(kuang)架心(xin)片級(ji)芯片封裝),是和表(biao)層貼裝。
節(jie)能減排合法合規:適用 RoHS 規范標準,無(wu)鉛設定。
使用(yong)領(ling)域
移動基站基本(ben)條件設施設備:代替(ti)基站設備中的頻射訊(xun)號燈(deng)鎖(suo)定和(he)路由,抓好訊(xun)號燈(deng)的可靠互傳和(he)高(gao)質量辦理(li)。
光(guang)纖線(xian)與光(guang)纖寬(kuan)帶通迅:在光纖(xian)線網上(shang)通訊系統和聯(lian)通寬帶(dai)(dai)聯(lian)通寬帶(dai)(dai)網上(shang)中,控制衛星信號的(de)更改和平均分(fen)配,保險網上(shang)通訊的(de)牢靠性(xing)和靈(ling)便性(xing)。
紅外(wai)光(guang)無線網(wang)絡電(dian)與(yu) VSAT:適(shi)宜于(yu)紅外(wai)光手機(ji)無線電傳輸(shu)數據和(he)甚的(de)小圓孔徑(jing)網(wang)絡終端(VSAT)體系,變(bian)現差異無線信(xin)道互相(xiang)的(de)數字信(xin)號轉(zhuan)換(huan)。
中(zhong)國軍事范圍:在軍工(gong)用(yong)無線(xian)數(shu)字電、雷(lei)達探測和光學對戰(ECM)等系統中,用(yong)作(zuo)便捷設置成(cheng)其他(ta)的操(cao)作(zuo)傳統模式(shi)或(huo)移動信號文件目(mu)錄。
測(ce)評(ping)實驗儀器(qi)電(dian)子儀表:能夠用于各種測試(shi)檢測儀器中的電(dian)(dian)磁波路由(you)和切換桌面,如(ru)網格講(jiang)解儀、電(dian)(dian)磁波再次反應器等,便利對(dui)區(qu)別電(dian)(dian)磁波開展精確測量和講(jiang)解。
上海市立維創展新材料技術是ADI的渠道(dao)零售商,關鍵提拱拖動器(qi)(qi)、直(zhi)線物(wu)品(pin)(pin)(pin)(pin)、數據顯示(shi)改變器(qi)(qi)、音頻(pin)播(bo)放(fang)物(wu)品(pin)(pin)(pin)(pin)、光纖寬帶物(wu)品(pin)(pin)(pin)(pin)、鐘(zhong)表和定(ding)期IC、光纖線溝通商品(pin)(pin)(pin)(pin)、端口和區間(jian)、MEMS和調節器(qi)(qi)器(qi)(qi)、電原(yuan)和熱經管、辦理器(qi)(qi)和DSP、頻(pin)射和圖(tu)(tu)形(xing)圖(tu)(tu)片操作器(qi)(qi)、面板開關和分配比(bi)例(li)器(qi)(qi)等,成品(pin)(pin)(pin)(pin)原(yuan)廠現貨交易,成本優勢(shi)與劣勢(shi),邀請(qing)咨詢中心。
上一篇: 高速模數轉換器ADC時鐘極性與啟動時間