制造業知識
發(fa)布的時間(jian)間(jian)隔:2025-02-12 15:52:44 網頁(ye)瀏(liu)覽:530
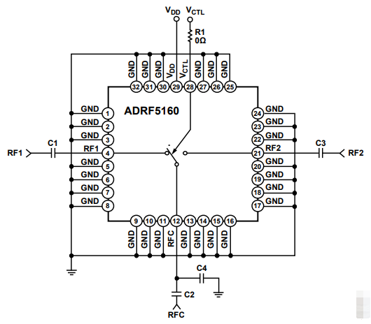
ADRF5160是(shi)Analog Devices Inc.(ADI)研(yan)發推出的(de)(de)兩款高(gao)耐(nai)磨(mo)性硅基(ji)(ji)0.7 GHz至(zhi)4.0 GHz單刀雙擲(SPDT)射(she)線電(dian)源開關,選取無(wu)引腳、表層貼裝(zhuang)的(de)(de)封裝(zhuang)方(fang)式方(fang)式。ADRF5160專為(wei)高(gao)功(gong)效app和蜂(feng)窩(wo)知識(shi)基(ji)(ji)礎設(she)備,如長時間變(bian)革(LTE)移動基(ji)(ji)站等設(she)定(ding)。ADRF5160應具(ju)很棒的(de)(de)高(gao)電(dian)功(gong)率(lv)工作學習能(neng)力,其繼續(xu)(>10年(nian))均(jun)值(zhi)其最典(dian)型的(de)(de)值(zhi)在(zai)8 dB峰均(jun)比LTE水平下(xia)達到41 dBm,一同在(zai)2.0 GHz下(xia)述的(de)(de)舉(ju)例加上消耗的(de)(de)資金僅(jin)為(wei)0.7 dB。除外,ADRF5160的(de)(de)輸出三階截點(IP3)典(dian)范(fan)指標值(zhi)70 dBm,0.1 dB解壓縮點(P0.1dB)常見指標值(zhi)47 dBm。
ADRF5160的(de)片上電(dian)(dian)(dian)源線路(lu)在5 V單正電(dian)(dian)(dian)適配器電(dian)(dian)(dian)壓降下(xia)正常運作,關鍵電(dian)(dian)(dian)適配器工作電(dian)(dian)(dian)流僅為1.1 mA,是PIN場(chang)效應管(guan)(guan)面(mian)板開關的(de)志向替換情況報告(gao)。ADRF5160的(de)二極管(guan)(guan)封裝(zhuang)符合要求RoHS標準(zhun)化(hua),進行主體工程的(de)32引腳(jiao)、5 mm × 5 mm LFCSP設(she)計(ji)構思。

性狀簡析:
條件反射式設置(zhi),50 Ω電阻值篩(shai)選
低導入耗損(sun):在2.0 GHz下述,一(yi)般指標值(zhi)0.7 dB
高(gao)輸出功率處里性能,在TCASE = 105°C具體條件下行為成績突(tu)出
不(bu)斷(>10年(nian))平均值公率表現:
不斷(duan)波額定(ding)功(gong)率:43 dBm
頂值輸出功(gong)率(lv):49 dBm
LTE均(jun)值馬力(8 dB峰(feng)均(jun)比):41 dBm
每次惡(e)性事件(<10秒)人(ren)均LTE工率(8 dB峰(feng)均比):44 dBm
高規則化度表達:
P0.1dB典例值:47 dBm
IP3典型示范值:70 dBm
靜電感(gan)應擊(ji)穿(ESD)保護(hu)區(qu)等(deng)級(ji)分高:
人體模式(HBM):4 kV,3A級
導電連接設備類(lei)別(CDM):1.25 kV
單正電源線(xian)工作電壓:5 V
正抑制(zhi)預警,兼容CMOS/TTL電平
主(zhu)體(ti)工程(cheng)的32引腳、5 mm × 5 mm LFCSP打包封裝
技術(shu)應用各個(ge)領域:
無線網條件公(gong)用設(she)施產品
日(ri)本軍事及(ji)高(gao)穩定性應用領(ling)域(yu)消費場景
測試(shi)測試(shi)測定系統
用于PIN穩壓(ya)管按鈕(niu)開關的(de)代替計劃
北京市市立維創展現代科技是ADI的(de)渠道代理(li)商,大部分能提(ti)供(gong)放小器(qi)(qi)(qi)、規則化物料的(de)、數據(ju)顯示改變(bian)器(qi)(qi)(qi)、音視頻物料的(de)、聯通(tong)寬帶物料的(de)、鐘表和(he)要(yao)定(ding)期IC、光纖(xian)傳輸通(tong)信網(wang)物品、usb接口和(he)相隔(ge)、MEMS和(he)感知器(qi)(qi)(qi)、24v電源和(he)熱經(jing)管(guan)、進行(xing)處(chu)理(li)設(she)備和(he)DSP、rf射頻和(he)形狀補救器(qi)(qi)(qi)、旋(xuan)轉開(kai)關和(he)都分配(pei)好器(qi)(qi)(qi)等,物品原版現貨平(ping)臺(tai),多少錢優越性,喜愛(ai)網(wang)絡咨(zi)詢。