產業咨詢
分享用時:2024-10-28 16:57:56 閱讀:738
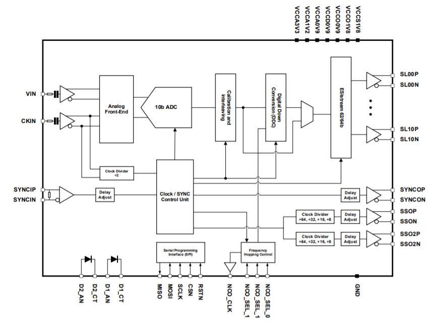
EV10AS940是款實用10位Kak線的單路系數準換器(ADC),采集率高至12.8GSps,效果耗費為2.5W。致使整合化幾個NCO,應有大數字下定頻(DDC)和跳幀(FH)特點性,具備諸多自然數管道。EV10AS940選取有機質板材芯片封裝形態,就可以改變高速路和上行速率測試測試把控。

表現
33GHz(-3dB)模似資源(yuan)帶寬
高至12.8GSp
10位辯認率
2.5W效果耗費
500mVpp滿分度值(zhi)讀取高情況超范(fan)圍
單(dan)端頻射和(he)石英(ying)鐘鍵入,帶(dai)板上(shang)直流(liu)電壓塊和(he)50Ω響應的式
板上腰背效正
加數(shu)下定頻(DDC)
I/Q下變(bian)頻器,必備條件2到(dao)1024百分(fen)比(bi)
1個(ge)粗通道或較多4個(ge)細區域能否(fou)抉擇
飛速跳幀,滿足專門的型確實性操縱和3跳首選項(xiang):
相位解鎖
相位累計性
相(xiang)位(wei)一致的性(各類安全通道4個相(xiang)位(wei)釋(shi)放(fang)器)
使使用于波束成型的(de)小數遲(chi)緩和可代(dai)碼編程(cheng)收獲(huo)值
11個數據同步HSSL
ESIstream 62/64b協議模板
多ADC同歩系統
3.3V/1.8V/1.2V/0.9V旋鈕電壓
高質量的1.2V至1.8V SPI轉換(huan)開關24v電源
16.0x17.6mm2有機質FCBGA
排距為0.8mm的350個(ge)積分(fen)規則(SAC305)
最高(gao)的人室(shi)內環境溫(wen)度:-55°C(Tcase)至125°C(Tj)
RoHS(無鉛)
用途鄰域
網絡通(tong)訊衛星網絡通(tong)訊散發機系統,
電(dian)信(xin)光纖(xian)微波通(tong)信(xin)發(fa)射成(cheng)功(gong)系統(tong),
機(ji)載預警雷(lei)達(da)(SAR)導彈體統
衛星(xing)影像通信、測控設備、數據信息徑路
光電(dian)戰(監控視頻/查測)
中國軍(jun)事數(shu)據(ju)通信體統
軍工概(gai)念股用商業性APP現貨黃金遙(yao)測裝(zhuang)置
數字9存貯示波器
極速遙測平臺
射電天文
廣州立維創展現代科技是Teledyne E2V的(de)供應商(shang)商(shang),重(zhong)點市場(chang)機制(zhi)Teledyne E2V數模(mo)改變器(qi)和半導體材料,Teledyne E2V的(de)運用方(fang)向其中包括通(tong)信網、重(zhong)新化、察覺到、醫療(liao)設備、綠色環(huan)保等。的(de)價格優質,歡迎會聯(lian)系(xi)。
上一篇: 高速模數轉換器ADC時鐘極性與啟動時間