餐飲行業資迅
公布的時:2024-05-20 09:02:27 訪問 :872

主要特點:
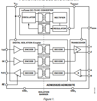
- 已經融合式要進行防護隔離霜數劇收到器:ADM2587E融合了三通管件道要進行防護隔離霜器、三態差分路線圖推動器、差分輸出收到器和1個isoPower DC/DC改變器,給出了1個完善的衛星信號和開關電源要進行防護隔離霜應對計劃書。 - ±15 kV ESD呵護:RS485放入/輸入輸出引腳具有著靜電感應尖端放電(ESD)呵護,提供了系統的結實性和可靠的性。 - 一體化式防護隔絕DC-DC電壓:內置式的isoPower技術提拱防護隔絕的DC/DC轉化,沒有外部鏈接DC/DC防護隔絕電源模塊。 - 完全符合規范規范:設計完全符合規范ANSI TIA/EIA-485-A-98和ISO 8482:1987(E)規范,適宜于平均的視頻傳輸電路。 - 機靈的作業電流值:搭載5V或3.3V單24v電源變電。 - 高數據源分析傳輸速度:ADM2587E支持系統高達模型500 kbps的數據源分析傳輸速度。 - 多組件適配:傳輸線能無線連接多至256個組件。 - 錯誤碼維護:提供引路和擊穿錯誤碼維護接收入器讀取,包括熱關斷維護用途。 - 高共模瞬變抗擾度:包括達到25 kV/μs的共模瞬變抗擾度,加強了系統在嚴重周圍環境下的穩定義高性。應用:
- 防護隔絕式RS-485/RS-422界面:實用作要電氣開關防護隔絕的RS-485/RS-422溝通界面。 - 輕產業實地現場電腦網格:在輕產業手動化和調節設計中,用做勾勒信得過的溝通電腦網格。 - 多方參數傳送軟件平臺:在多方通迅軟件平臺中,適用高速路參數傳送和收到。產品型號:
| Model' | Data Rate (MMbps | Temperature Range | Package Description | Package Option | |
| ADM2582EBRWZ ADM2582EBRWZ-REEL7 | 16 16 | -40℃ to+85℃ -40℃ to+85℃ | 20-Lead SOIC_W 20-Lead SOIC_W | RW-20 RW-20 | |
| ADM2587EBRWZ ADM2587EBRWZ-REEL7 | 0.5 0.5 | -40℃ to +85℃ -40℃ to+85℃ | 20-Lead SOIC_W 20-Lead SOIC_W | RW-20 RW-20 | |
| EVAL-ADM2582EEBZ EVAL-ADM2582EEMIZ EVAL-ADM2587EEBZ EVAL-ADM2587EEMIZ EVAL-ADM2587EARDZ EVAL-ADM2587ERPIZ EVAL-ADM2587EEB2Z | ADM2582E Evaluation Board ADM2582E EMI Compliant Evaluation Board ADM2587E Evaluation Board ADM2587E EMI Compliant Evaluation Board ADM2587E Arduino Evaluation Board ADM2587E Raspberry Pi Evaluation Board ADM2587E Isolated RS-485 Repeater Evaluation Board | ||||