ADMV7710-SX/ADMV7710CHIPS智能家居控制式 E 頻段砷化鎵 (GaAs)徽波單支智能家居控制三極管 ADI現貨平臺
頒布的時間(jian):2018-06-05 15:46:08 訪(fang)問 :7791
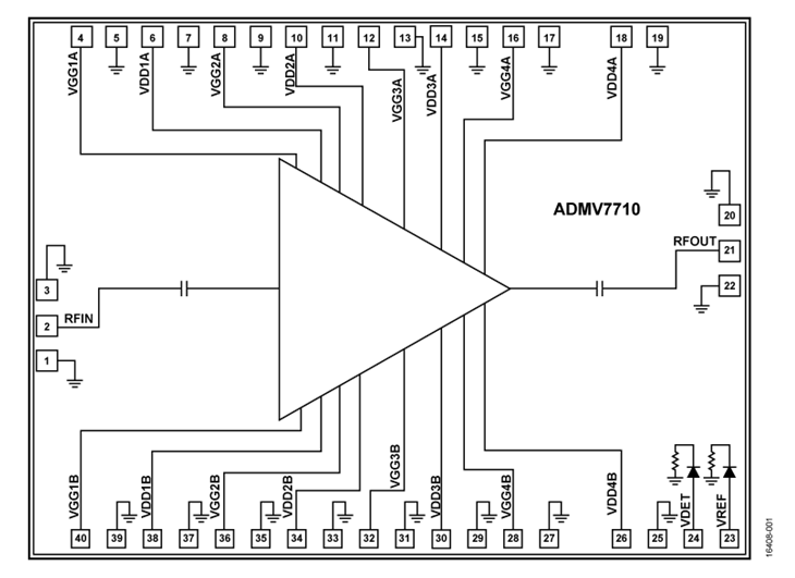
ADMV7710-SX/ADMV7710CHIPS 也是款ibms化式 E 頻段砷化鎵 (GaAs) 贗晶高微電子轉至率移動 (pHEMT)、微波加熱單支ibms化線路 (MMIC)、中檔瓦數調小器,有片內溫差賠償金瓦數檢查測量器,做事情事情頻率時間面積為 71 GHz 到 76 GHz。ADMV7710 可實現 4 V 外接電源展示 24 dB 的增加收益控制、28 dBm 的所在(1 dB 收縮)相應 29 dBm 的過剩所在瓦數(20% 瓦數增加的效率)。ADMV7710 能夠 了優勝的波形度,從而來了安全性能SEO,至關符合 E 頻段網絡通信和高數量無線數字網絡反程無線數字網絡電整體。單憑調小器顯卡配置和高增加收益控制,該元器件稱為同軸電纜以前的接下來第一手機信號調小的非常理想抉擇。全部的動態數據均由一個網絡端口一根 3 mil 寬 × 0.5 mil 厚 × 7 mil 長的鍵合帶連接方式的電源IC芯片(隸屬于 50 Ω 測試英文固件內)來采摘。ADMV7710 以 40 焊盤裸片(電源IC芯片)的形勢展示,可在 ?55°C 到 +85°C 的溫差時間面積內做事情。
|
品牌
|
型號
|
描述
|
貨期
|
庫存
|
|
ADI
|
ADMV7710-SX/ADMV7710CHIPS
|
具有功率檢測器的 71 GHz 到 76 GHz、1 W E 頻段功率放大器
|
現貨
|
56
|
ADMV7710-SX/ADMV7710CHIPS APP
-
E 頻段通信系統
-
高容量無線回程無線電系統
-
測試和測量
ADMV7710-SX/ADMV7710CHIPS 結構圖

ADMV7710-SX/ADMV7710CHIPS 優勢和特點
-
增益:24 dB(典型值)
-
1 dB 壓縮的輸出功率:28 dBm(典型值)
-
飽和輸出功率:29 dBm(典型值)
-
輸出 3 階交調點:34 dBm(典型值)
-
輸入回波損耗:18 dB(典型值)
-
輸出回波損耗:10 dB(典型值)
-
直流電源:4 V,800 mA
-
無需外部匹配
-
裸片尺寸:2.999 mm × 3.999 mm × 0.05 mm