業內房產資訊
發布(bu)了的(de)時間(jian):2022-05-20 17:10:16 網(wang)頁瀏(liu)覽:2000
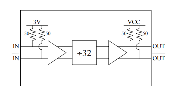
DV032是EUVIS的16針3x3mm塑料QFN高速(su)封裝除以32靜(jing)態分頻器。由于(yu)輸入靈敏度高,輸出相位(wei)噪聲低,小規格尺寸,DV032廣泛應用(yong)于(yu)通信網絡、儀(yi)(yi)器儀(yi)(yi)表、無線電/雷達等領域。DV032接收0.2GHz(正(zheng)弦(xian)波(bo)、直流方波(bo))14GHz輸入頻率(lv),需要一個 5V的(de)單電源。

首要表現形式
?0.2-14GHz帶寬使用
?低相位噪音污染(ran):-140 dBc/Hz
?高錄入迅(xun)敏度:-25 dBm
?輸入震幅:800 mVp-p(差分)
?差(cha)動(dong)導入(ru)和工作輸出
?50? 發送/傳輸阻抗匹配(pei)
?單電源開關:+5V
?直流電壓耗(hao)費:72mA
?16針3x3mm氟塑料QFN裝封
廣州 市(shi)立(li)維(wei)創展科技(ji)信(xin)息是EUVIS的(de)銷售(shou)商銷售(shou)商商,最主要的(de)供應EUVIS的(de)世界頂(ding)尖的(de)高速(su)路(lu)數模改換DAC、間接(jie)數字化頻帶寬度自動合成器DDS、復接(jie)DAC的(de)電子器件(jian)級物料(liao),包括(kuo)高速(su)公(gong)路(lu)搜集板(ban)卡、技(ji)術性波型檢測器等(deng)物料(liao),原廠外盤,市(shi)場價優(you)勢可言,受歡迎了(le)解(jie)和(he)咨詢。
詳(xiang)細(xi)信息認知EUVIS請點://dev.www.zb5858.cn/brand/24.html