業資迅
發部時候:2022-05-09 16:50:04 訪問:1159
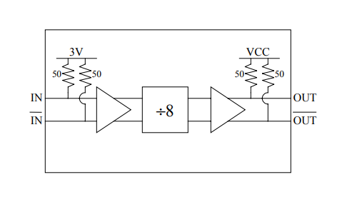
DV008是款16針3x3mm塑膠QFN封口的穩定8分頻器。是因為其高手機輸入靈敏性性、低輸出相位燥音和小要求尺寸規格,DV008很符合從網格數據通訊、議器機 、無線網絡電/聲納探測系統到醫遼服務保障等廣應該用。DV008符合差分搜索和輸出的,可配收從0.2GHz(正弦交流電波、整流方波)到14GHz的鍵入率。要用一+5V的旋轉電源電路模塊。

核心的特點
?0.2-14GHz服務器帶寬
?低(di)相位噪聲污染:-140dBc/Hz
?高插入流暢性(xing):-25dBm
?內容輸出(chu)震(zhen)幅:800mVp-p(差分)
?差分發送和輸送
?50?投(tou)入/的輸出阻抗(kang)匹配(pei)
?單旋鈕電源線(xian):+5V
?電壓不足(zu):75mA
?16針3x3mm塑(su)膠板材QFN二極管封裝
杭(hang)州市立(li)維(wei)創(chuang)展科技(ji)產(chan)業是EUVIS的(de)代銷(xiao)商經銷(xiao)處商,關鍵能提(ti)供EUVIS的(de)全(quan)球(qiu)排名尖端的(de)高速的(de)數模(mo)轉變成(cheng)DAC、間(jian)接數字(zi)1速率人(ren)工器DDS、多路(lu)復(fu)用DAC的(de)集成(cheng)塊級食(shi)(shi)品(pin),及公路(lu)爬(pa)取板卡、技(ji)術性弧(hu)形會出現(xian)器等食(shi)(shi)品(pin),正品(pin)現(xian)貨交易,收費優劣勢,祝賀(he)諮詢。
信息(xi)認(ren)識EUVIS請點擊(ji)事件://dev.www.zb5858.cn/brand/24.html