制造行業介紹
發(fa)布公告精力:2020-08-31 15:09:54 閱讀:7287
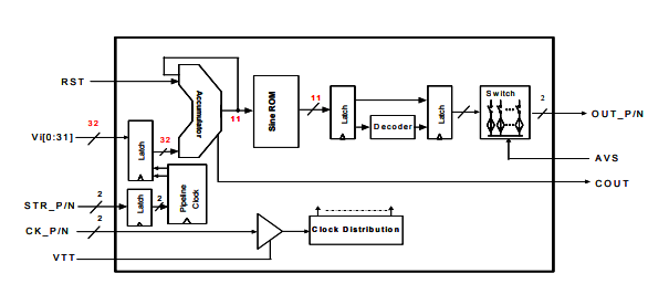
DS852是(shi)一種高速(su)直接數字合成(cheng)器,頻率(lv)調諧分辨率(lv)為32位,振幅分辨率(lv)為11位。DS852第一奈奎斯特波段(duan)的正(zheng)弦波最大(da)產生(sheng)1.1 GHz。初始階段可(ke)以重置為零啟動。DS852芯片具(ju)有(you)一對與50相連的(de)(de)互(hu)補輸(shu)出端子。輸(shu)出波形(xing)的(de)(de)頻率可(ke)由32位頻率控制位Vi[0:31]控制。DS852可(ke)以接(jie)受互(hu)補時鐘輸(shu)入或單端時鐘輸(shu)入,具(ju)有(you)50Ω的(de)(de)片上后端終端和(he)用戶定義(yi)的(de)(de)閾值(zhi)。頻率(lv)字的輸入信號接受LVTTL或CMOS輸入電(dian)平。只需5.0伏電源線。

DS852包括特殊性
32位(wei)頻段調諧(xie)器(qi)和11位(wei)相位(wei)鑒別(bie)率
更具(ju)11位分別率(lv)的片上dac
石英鐘速度可以達到(dao)2.5GHz
發生萬(wan)代(dai)高(gao)達1.2GHz的(de)正(zheng)弦函(han)數波
50web后臺相輔相成模擬訓練波型的(de)輸出
最爛(lan)SFDR>50 dBc
LVTTL/CMOS數(shu)字9的(de)頻率字搜索
重設(she)引腳以啟動(dong)時價段0初始化情況
用在更換速度字和dac輸出(chu)頻率的高(gao)速公路選通
極速選通導(dao)入支持由單(dan)支機或(huo)DSP電源芯片操縱DS852,推動即時啁啾功能表。
頻段(duan)更新(xin)系統(tong)率高達模型8個掛鐘時間是(shi)
單-5.0V電源(yuan)模(mo)塊(kuai)的(de)工(gong)作(zuo)頻率為3.0W
64針QFN封裝類型(xing)
DS852適用(yong)
預警雷達來設計和現場實(shi)驗
小行星通信網
VSAT
自動化(hua)戰(zhan)
有(you)線信號塔(ta)
rf射頻信息源引起
議器(qi)和(he)半導測驗儀
先(xian)進(jin)典型通(tong)信設備調制解調
東莞 市立維創展新材料技術是EUVIS的加盟經售(shou)商,通常(chang)提拱EUVIS的世界(jie)上頂(ding)尖級(ji)的快(kuai)速路數模(mo)換為DAC、單獨自然數頻(pin)繁 制成器(qi)DDS、多路復(fu)用(yong)DAC的IC芯片級(ji)好產品設備(bei),與高錄入板卡(ka)、動態數據(ju)弧(hu)形(xing)形(xing)成器(qi)等(deng)好產品設備(bei),原廠期貨,價值的優勢,熱情(qing)接待(dai)詳詢(xun)。