HMC713LP3ETR/HMC713LP3E常用對數檢波器/掌握器 ADI外盤
公布時刻:2018-07-09 12:01:46 查看:6927
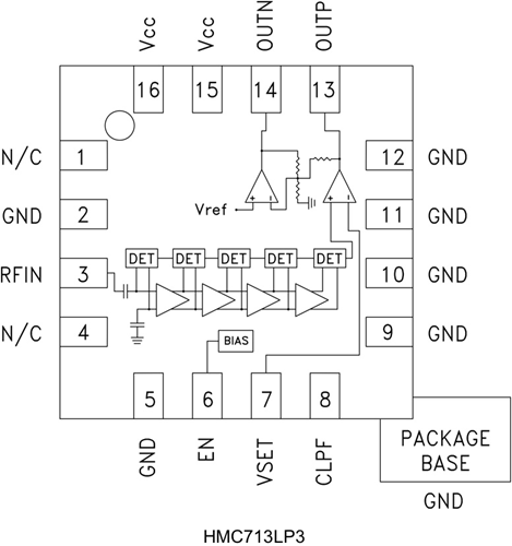
HMC713LP3E常用常用對數檢波器/的控制系統無比適于將RF警報(50 MHz至8000 MHz頻段使用領域內)的公率在效果端改換為與搜索公率成比例的直流電電流。 HMC713LP3E主要包括反復壓縮成的技術,可在寬搜索頻段使用領域內具備具有著高衡量精密度的54 dB動態展示使用領域。 不斷地搜索警報加強,反復擴大器日漸來到飽合,而使添加精度的常用常用對數方程是值。 多種產品檢波器效果求和、改換到電流域并緩存驅動器OUTP效果。
若您有所有的疑慮,請關系各位立維創展,各位會盡主要全力以赴為您功能。
在探測形式 下,OUTP引腳鏈接到VSET輸入,供給17 mV/dB標稱對數計算斜率和-68 dBm截距。
HMC713LP3E也是可以在管理器模型下施用,在該模型下向VSET引腳產生外表電壓電流以控制AGC或APC回饋環路。
|
品牌
|
型號
|
描述
|
貨期
|
庫存
|
|
ADI
|
HMC713LP3ETR
HMC713LP3E
|
54 dB對數檢波器/控制器,采用SMT封裝,50 - 8000 MHz
|
現貨
|
170
|
HMC713LP3ETR采用
-
蜂窩基礎設施
-
WiMAX, WiBro和amp; LTE/4G
-
電源監控和控制電路
-
接收機信號強度指示(RSSI)
-
蜂窩基礎設施
-
自動增益和功率控制
HMC713LP3ETR優勢和特點
-
寬動態范圍: 高達54 dB
-
高精度: ±1 dB (54 dB)
范圍高達2.7 GHz
-
快速輸出響應時間
-
電源電壓: +2.7至+5.5V
-
省電模式
-
出色的溫度穩定性
-
16引腳3x3 mm SMT封裝: 9mm2
HMC713LP3ETR結構圖
