HMC611LP4/HMC611LP4E耗油率監控攝像頭多數檢波器 ADI代辦現貨交易
推送時間(jian)間(jian)隔:2018-07-09 13:57:07 瀏覽網(wang)頁(ye):7290
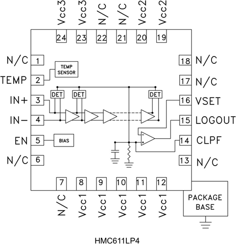
HMC611LP4(E)多數檢波器/傳感器將讀取商品詳情頁RF電磁波變換為讀取端成比例的DC相電壓。HMC611LP4(E)巧用間隔縮減拓撲架構架構,給出寬讀取頻次空間內的不低動態數據空間和變換定位精度。跟隨讀取電機功率增高,間隔放縮器迅速入駐飽和狀態,關鍵在于轉為精確度高的多數數學函數相當于值。
若您有每質疑,請去聯系他們立維創展,他們會盡明顯盡力為您貼心服務。
一國產平方怎么算律檢波器的輸出電流降求和、準調成電流降域并加載安裝驅動LOGOUT的輸出電流降。在檢側經營摸式下,LOGOUT引腳短路故障到VSET填寫并給予-25mV/dB的標稱多數斜率和18 dBm的截距(22 dBm,? ≥ 5.8 GHz)。HMC611LP4(E)也可在調節器經營摸式下用到,向VSET引腳施加壓力對外部電流降以出現AGC或APC跟進環路。
|
品牌
|
型號
|
描述
|
貨期
|
庫存
|
|
ADI
|
HMC611LP4
HMC611LP4E
|
對數檢波器控制器,采用SMT封裝,0.001 - 10.0 GHz
|
現貨
|
151
|
HMC611LP4采用
-
蜂窩/PCS/3G
-
WiMAX、WiBro、WLAN、
固定無線和雷達
-
功率監控和控制電路
-
接收機信號強度指示(RSSI)
-
自動增益和功率控制
HMC611LP4優勢和特點
-
寬動態范圍:高達63 dB
-
高精度:±1 dB
54 dB范圍高達8 GHz
-
電源電壓:+5V
-
出色的溫度穩定性
-
緩沖溫度傳感器輸出
-
緊湊型4x4mm無引腳SMT封裝
HMC611LP4結構圖
