餐飲行業信息資訊
推出日子:2018-07-05 10:41:08 搜(sou)素:2529
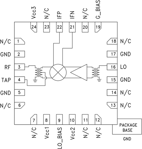
HMC786LP4E是一款集成LO放大器的高動態范圍無源MMIC混頻器,采用(yong)4x4 SMT QFN封(feng)裝(zhuang),工作頻率范圍為0.7至1.1 GHz。 LO驅(qu)動為0 dBm時,3G和(he)4G GSM/CDMA應(ying)用(yong)具有+40 dBm的出色輸入(ru)IP3下(xia)變頻性能。 采用(yong)1dB (+25 dBm)輸入(ru)壓(ya)縮(suo)時,RF端口支持(chi)各(ge)種輸入(ru)信號(hao)電平。 轉換損耗為7.5 dB(典型值)。 高達250 MHz的IF頻率響(xiang)應(ying)可滿(man)足(zu)GSM/CDMA發射(she)或接收(shou)頻率計劃(hua)要求。 立維創展HMC786LP4E針對0.7 - 1.1 GHz RF頻段(duan)高端LO頻率計劃(hua)進行了(le)優(you)化,并與HMC686LP4E引腳兼容(rong)。
| 品牌 | 型號 | 描述 | 貨期 | 庫存 |
| ADI |
HMC786LP4E HMC786LP4ETR |
集成LO放大器的BiCMOS混頻器,0.7 - 1.1 GHz | 現貨 | 105 |
HMC786LP4E應用(yong)
HMC786LP4E優勢和特點
