HMC666LP4E/HMC666LP4ETR高動態信息比率無源MMIC混頻器 ADI期貨
發布公告時(shi)間間隔(ge):2018-07-05 10:48:57 瀏(liu)覽記錄:7374
HMC666LP4(E)就是一款高動態信息範圍無源MMIC混頻器,融合LO調大器,主要包括4x4 SMT QFN二極管封裝,操作頻點為3.1 - 3.9 GHz。 該集成電路芯片涉及WiMAX和對其進行固定wlan用給出+31 dBm的突出發送IP3效果以對其進行下定頻,LO驅動程序為0 dBm。 LO表層涉及非常低端LO用提高。
RF串口的搜索1 dB縮小為+23 dBm,可搭載寬范圍之內搜索無線信號電平。 轉化成衰減常見臨界值9 dB。 該元件的DC至800 MHz IF率崩潰能考慮WiMAX放射或收到率設計方案標準。 立維創展HMC666LP4(E)與HMC688LP4(E)引腳兼容,交給就是款2.0 - 2.7 GHz混頻器,集成化LO縮放器。
|
品牌
|
型號
|
描述
|
貨期
|
庫存
|
|
ADI
|
HMC666LP4E
HMC666LP4ETR
|
集成LO放大器的SMT BiCMOS混頻器,3.1 - 3.9 GHz
|
現貨
|
235
|
操作
-
WiMAX/4G與固定無線
-
基礎設施與中繼器
-
發射機與接收機
-
測試和測量設備
HMC666LP4E優勢和特點
-
高輸入IP3: +31 dBm
-
低轉換損耗: 9 dB
-
低LO驅動: 0 dBm
-
上變頻與下變頻應用
-
針對低端LO輸入優化
-
24引腳、4x4mm SMT封裝: 16mm2
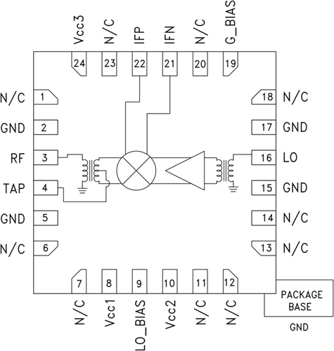
HMC666LP4E結構圖
