HMC633LC4/HMC633LC4TR動力增加器速率5.5至17 GHz ADI現貨平臺
正(zheng)式發布精力:2018-06-29 11:41:51 查詢(xun):1854
HMC633LC4有的是款GaAs PHEMT MMIC驅動安裝變小器,按照無鉛4x4 mm表貼淘瓷裝封,本職工作頻繁區間為5.5至17 GHz。 該變小器提供了高達到30 dB的收獲、+30 dBm讀取IP3及+23 dBm的讀取最大功率(1 dB收獲文件壓縮時),顯卡功耗為180 mA(+5V電源線)。
HMC633LC4驅動安裝調小器尤其試合的工作率比率為5.5至17 GHz的微波射頻移動電應用領域,電阻值可偏置為+5V (130 mA)以提拱2 dB較低增益控制并增強PAE。 隔直調小器I/O符合50 Ω,不須第三方符合部件。
|
品牌
|
型號
|
描述
|
貨期
|
庫存
|
|
ADI
|
HMC633LC4
HMC633LC4TR
|
驅動放大器,采用SMT封裝,5.5 - 17 GHz
|
現貨
|
269
|
用途
-
點到點無線wifi電
-
點對找色遠程電和VSAT
-
混頻器LO驅動下載器
HMC633LC4優勢和特點
-
增益: 30 dB
-
P1dB: +23 dBm
-
飽和功率:+23.8 dBm (24% PAE)
-
電源電壓: +5V (180 mA)
-
50 Ω匹配輸入/輸出
-
24引腳4x4mmSMT陶瓷封裝: 16mm2
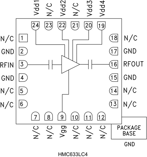
HMC633LC4結構圖
