HMC383LC4/HMC383LC4TR普通MMIC驅動軟件調小器 ADI期貨銷售商商
發部時候(hou):2018-06-29 13:42:06 查(cha)詢(xun):2345
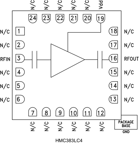
HMC383LC4也是款互通GaAs PHEMT MMICwin7驅動包變小器,主要選用達到RoHS原則的無引腳SMT封口類型。 該變小器主要選用+5V單電原,收獲為15 dB,呈現飽和狀態耗油率為+18 dBm。 在大部分上班頻帶寬度內更具不一樣的收獲和輸出電壓耗油率,因其應該在2個無線wifi電頻段安全用同一個互通的win7驅動包器/LO變小器。 隔直RF I/O一致至50 Ω,安全用方面。 HMC383LC4主要選用達到RoHS原則的無引腳4x4 mm 封口類型,兼容漆層貼裝研發方法。
|
品牌
|
型號
|
描述
|
貨期
|
庫存
|
|
ADI
|
HMC383LC4
HMC383LC4TR
|
中等功率放大器SMT,12 - 30 GHz
|
現貨
|
337
|
HMC383LC4應用
-
點對點無線電
-
點對多點無線電和VSAT
-
測試設備和傳感器
-
HMC混頻器LO驅動器
-
軍事和太空
HMC383LC4優勢和特點
-
增益: 15 dB
-
飽和輸出功率: +18 dBm
-
輸出IP3: +25 dBm
-
單正電源:
+5V (100 mA)
-
50 Ω匹配輸入/輸出
-
符合RoHS標準的4x4 mm封裝
HMC383LC4結構圖
