HMC468ALP3E帶寬3位GaAs IC數字5衰減器 外盤
發部(bu)時間(jian)(jian)間(jian)(jian)隔(ge):2019-02-26 14:04:23 瀏(liu)覽器:1626
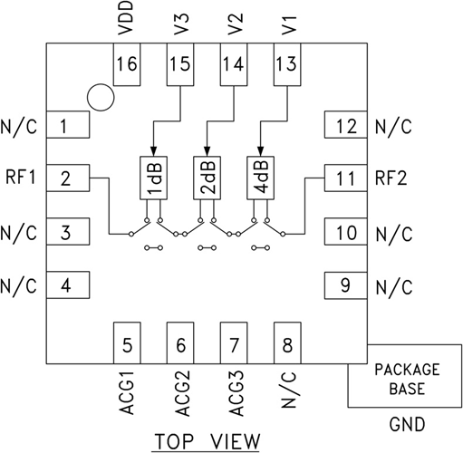
HMC468ALP3E就是一款聯通寬帶3位GaAs IC數字式衰減器,運用低費用無引腳外壁貼裝封裝形式。 在DC到6.0 GHz任務頻率下任務,復制到損耗費不超過1 dB明顯值,最底高達4 GHz。 衰減器位值一般決定1 (LSB)、2和4 dB,總衰減為7 dB。 衰減要求越來越高,明顯步長差值為±0.4 dB,IIP3為+55 dBm。 這三個調整電阻值輸進在0和+5V當中修改,使用于決定每項衰減環境。 要有+5V的單體Vdd偏置。
|
品牌
|
型號
|
貨期
|
庫存
|
|
ADI
|
HMC468ALP3E
|
1周
|
120
|
如若您需要購買(mai)HMC468ALP3E,請點擊右側(ce)客服(fu)聯系我們(men)!!!
應用
-
蜂窩;UMTS/3G基礎設施
-
固定無線和WLL
-
微波無線電和VSAT
強勢和的特點
-
1 dB LSB步進至7 dB
-
高IP3: +55 dBm
-
誤碼率:±0.25 dB(典型值)
-
每位單個控制線路
-
+5V單電源
-
3x3 mm SMT封裝
提示圖

深圳市立維創展科技代理銷售ADI現貨產品,致力于為廣大客戶提供低價格、高質量、有保障的產品,提供優質的售前與售后服務技術。如您有任何產品需求以及服務請聯系我們客服人員,我們會再第一時間內為您解決問題。