HMC447LC3低環境噪聲四分頻重復利用分頻器 現貨平臺
頒布(bu)耗時:2019-02-26 14:07:37 瀏覽(lan)器:1720
HMC447LC3就是一款低環境低頻噪音3分頻二次利用分頻器,用到InGaP GaAs HBT技巧。 一款聯通寬帶分頻器的運轉鍵盤插入規律為10到26 GHz,可配受極寬的范圍的鍵盤插入熱效率水平面。 HMC447LC3具備著-150 dBc/Hz的不高SSB相位環境低頻噪音(100 kHz偏置時),相當適當在高頻鎖相環(PLL)中運用,并且 這個系統的中應該基波和分頻LO規律的本振(LO)確定用途。
這個職能全面性的分頻器使用的單獨某個+5V正供電,耗電量僅為96 mA,在輸出上行帶寬必要條件下打造比較平淡的輸出精度輸出。 HMC447LC3使用完全符合RoHS標的3x3 mm的無引腳SMT打包封裝,兼有露外的接地保護焊盤。
|
品牌
|
型號
|
貨期
|
庫存
|
|
ADI
|
HMC447LC3
|
1周
|
100
|
要是您需用定購HMC447LC3,請點右面電話客服連系我國!!!
HMC447LC3應用
-
點對點/多點無線電
-
VSAT無線電
-
光纖產品
-
測試設備
HMC447LC3優勢和特征
-
很寬的帶寬
-
超低SSB相位噪聲: -150 dBc/Hz
-
輸出功率: -4 dBm
-
單直流電源: +5V
-
符合RoHS標準的3x3 mm SMT封裝
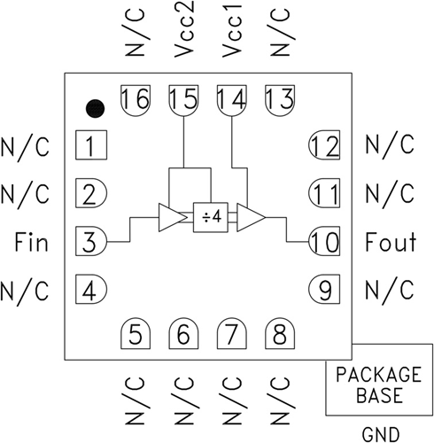
HMC447LC3示意圖

深圳市立維創展科技代理銷售ADI現貨產品,致力于為廣大客戶提供低價格、高質量、有保障的產品,提供優質的售前與售后服務技術。如您有任何產品需求以及服務請聯系我們客服人員,我們會再第一時間內為您解決問題。