HMC1086F10氮化鎵(GaN) MMIC工率擴大器10引腳法蘭片封裝形式 ADI現貨黃金
發表日子:2018-06-22 16:28:05 查詢:7065
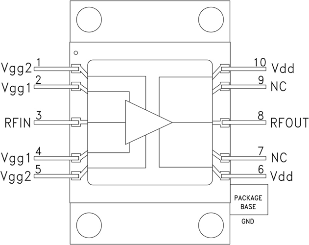
HMC1086F10就是款25W氮化鎵(GaN) MMIC工作中耗油率縮放器,工作中頻繁條件為2至6 GHz,應用10引腳法蘭片貼裝封裝類型。 該縮放器基本給出23 dB小的衛星信號增益值,+44.5 dBm趨于穩定轉換工作中耗油率,在+33 dBm轉換工作中耗油率/的衛星信號音下,給出+46 dBm轉換IP3。 該縮放器應用+28V交流電電源模塊的動態工作頻率為1,100 mA。 隔直RF I/O自動匹配至50 Ω,應用更方便。
|
品牌
|
型號
|
描述
|
貨期
|
庫存
|
|
ADI
|
HMC1086F10
|
25 W GaN法蘭貼裝MMIC功率放大器,2 - 6 GHz
|
現貨
|
230
|
HMC1086F10應(ying)用
HMC1086F10優勢和特點
-
高Psat: +44.5 dBm
-
Psat下功率增益: 11 dB
-
高輸出IP3: +46 dBm
-
小信號增益: 23 dB
-
電源電壓: +28V (1100 mA)
-
50 Ω匹配輸入/輸出
-
10引腳法蘭封裝
HMC1086F10結構圖
