Ka光波驅動軟件圖像放大器電路HMC-AUH256/HMC-AUH256-SX ADI外盤經銷商
頒布時候:2018-12-03 11:18:50 閱覽(lan):2134
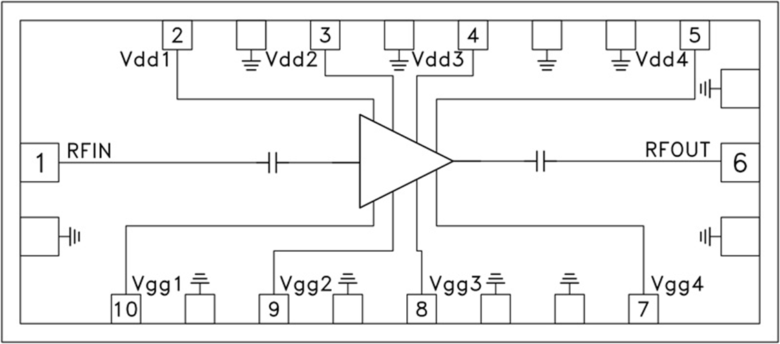
HMC-AUH256也是款Ka中波段GaAs MMIC HEMT四個維度驅動程序縮放器,事業率因素17.5至41 GHz。 隨著尺寸較小(1.93 mm2),該結合ic可輕松愉快結合到多結合ic模快(MCM)中。 HMC-AUH256在1 dB收縮點展示21 dB的增益控制和+20 dBm的輸入最大功率,用+5V的偏置電源線(295 mA)。 HMC-AUH256還能用的 作倍頻器。 建立倍頻器事業的詳細的偏置因素。
|
品牌
|
型號
|
貨期
|
庫存
|
|
ADI
|
HMC-AUH256
HMC-AUH256-SX
|
1周
|
200
|
|
如若您需要購買HMC-AUH256/HMC-AUH256-SX,請點擊右側客服聯系我們!!!
|
技(ji)術應用
優勢和特點
-
增益: 21 dB
-
P1dB輸出功率: +20 dBm
-
寬帶性能:
17.5至41 GHz
-
電源電壓:
+5V (295 mA)
-
小尺寸芯片:
2.1 x 0.92 x 0.1 mm
結構設(she)計圖
