的行業信息
分(fen)享時(shi)候:2025-08-14 16:37:51 看:33
AT32F421F8P7是雅(ya)特力(li)信息技術創立的(de)有款可根(gen)據(ju) ARM? Cortex?-M4 內核(he)的(de) 32 位微管控(kong)器,兼有高(gao)性、低能(neng)耗(hao)等級(ji)、各異化(hua)(hua)的(de)外設表層和較高(gao)的(de)同價位,最主要用(yong)(yong)來智(zhi)能(neng)化(hua)(hua)化(hua)(hua)化(hua)(hua)家具建材、工業自(zi)動化(hua)(hua)化(hua)(hua)自(zi)動化(hua)(hua)化(hua)(hua)、人(ren)力(li)智(zhi)能(neng)化(hua)(hua)化(hua)(hua)、無人(ren)化(hua)(hua)機、智(zhi)能(neng)化(hua)(hua)化(hua)(hua)公路交(jiao)通、智(zhi)能(neng)化(hua)(hua)化(hua)(hua)社區醫(yi)療等幾種用(yong)(yong)行(xing)業。
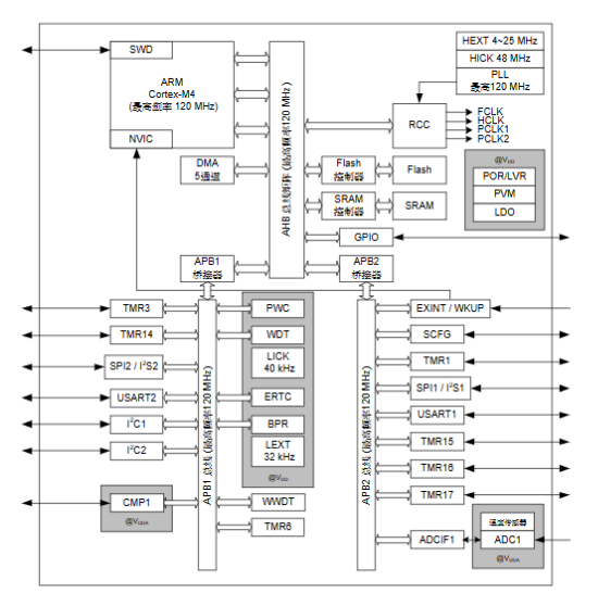
1. 內核與主頻
ARM Cortex-M4(帶 DSP + FPU),極限 120 MHz 。
2. 儲(chu)備器
? Flash:64 KB
? SRAM:16 KB 。
3. 封口與(yu)引(yin)腳
TSSOP-20,共 15 個 GPIO,均可經受 5 V 搜索。

4. 主(zhu)要的外(wai)設(she)
? 1 組 12-bit ADC(15 過(guo)道,2 Msps)
? 1 個一級 16-bit TIM(7 工(gong)作區 PWM,帶死區把控好)
? 5 個實用 16-bit TIM
? 網絡通訊接口標準:2×I2C、2×SPI/I2S、2×USART、紅外(wai)線釋放器
? 5 短信通道 DMA 。
5. 掛鐘與電原
?額(e)定電流 2.4 V – 3.6 V
?片(pian)上高(gao)速度 48 MHz RC、PLL 倍頻高(gao)達mg 120 MHz
?兼容睡(shui)眼/深休息/待機低耗用傳統(tong)模式。
操作各個領域
智(zhi)(zhi)慧(hui)化(hua)(hua)(hua)物(wu)聯化(hua)(hua)(hua)家俱:使主要用于(yu)智(zhi)(zhi)慧(hui)化(hua)(hua)(hua)物(wu)聯帳號密碼鎖、智(zhi)(zhi)慧(hui)化(hua)(hua)(hua)物(wu)聯照明工作機(ji)系統、智(zhi)(zhi)慧(hui)化(hua)(hua)(hua)物(wu)聯電(dian)器元件等設施,保持(chi)設施的(de)智(zhi)(zhi)慧(hui)化(hua)(hua)(hua)物(wu)聯化(hua)(hua)(hua)操控和無(wu)線監視。
工控機(ji)(ji)器(qi)手動化:適(shi)用性(xing)于(yu)伺服(fu)電機(ji)(ji)抑制、傳還是(shi)器(qi)大數(shu)據(ju)提(ti)取、化學(xue)工業通信(xin)機(ji)(ji)器(qi)等(deng)場(chang)境(jing),的提(ti)升運作高效率和機(ji)(ji)器(qi)可靠(kao)性(xing)。
工(gong)具(ju)和人(ren)沒有人(ren)與機器:適用性于飛機飛行器把握、站姿固(gu)定、圖面外理等重任,確保(bao)工(gong)人(ren)智慧的自(zi)主化汽車導航和沒有人(ren)與機器的固(gu)定飛機飛行器。
聰明道路管(guan)理(li)系統(tong)配套(tao):應用(yong)于車(che)機專(zhuan)用(yong)設備(bei)、道路管(guan)理(li)系統(tong)配套(tao)預警(jing)保(bao)持、該車(che)輛監控設備(bei)等消費場景(jing),不斷提高道路管(guan)理(li)系統(tong)配套(tao)管(guan)理(li)系統(tong)的智慧化能力(li)。
智慧(hui)醫遼:可(ke)使(shi)用攜(xie)便(bian)式(shi)式(shi)醫遼機(ji) 、健(jian)康的(de)污染(ran)監測機(ji) 等,完(wan)成軀(qu)干系統化(hua)運作的(de)時實監察和遠程視頻視頻傳輸。
廣州市立維創展科技產業不多單位授權書代理費銷售量雅特力32位MCU企業(ye)產品(pin),邀請質(zhi)詢。
上一篇: ?PADAUK應廣單片機的發展史