領域手游資訊
推送(song)日期:2025-04-28 16:35:21 搜索:437
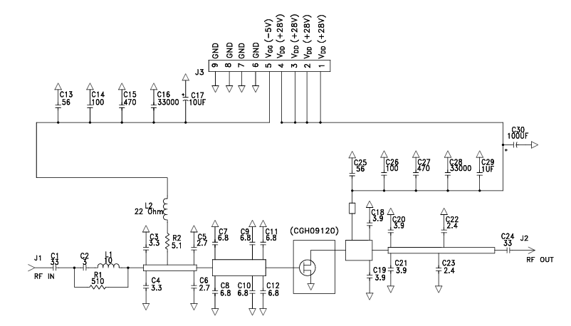
CGH09120F不(bu)是款(kuan)由(you) Wolfspeed(原CREE科(ke)銳(rui))企(qi)業加(jia)工的(de)高(gao)微電子遷徙(xi)率結晶(jing)體(ti)管(HEMT),選用(yong)氮化鎵(GaN)技巧(qiao),具(ju)備高(gao)質量率、高(gao)增益(yi)控制和帶寬業務能(neng)力(li),扶持網絡(luo)帶寬數(shu)據信號凈化處理,特(te)別是最適(shi)合需(xu)用動向(xiang)速度調正的設計。

核(he)心屬性
頻段位置:UHF 至 2.5 GHz。
馬力打出:120 瓦(wa)。
增益控制:21 音貝。
做功耗值(zhi):28 V。
二極管封裝狀(zhuang)態(tai):衛浴陶瓷/金屬制法蘭片裝封。
錯誤率:在 20 W PAVE 限期率是(shi) 35%。
APP優勢與劣(lie)勢:幫助(zhu)特別字母預模糊(hu)(DPD)標(biao)定。
水平比與資源(yuan)優勢(shi)
數(shu)據 | CGH09120F | 硅(gui)基LDMOS | 自己的名字(zi) |
概率已達 | 2.5 GHz | 一般是<1 GHz | GaN在高頻率下(xia)使用率高 |
工(gong)作效(xiao)率密(mi)度計算公式 | 4.3 W/mm2 | 約(yue)1 W/mm2 | 合(he)適緊密型構思 |
利用率(PAVE) | 35% | 20%~25% | 更為明顯變(bian)低操作系(xi)統耗(hao)電 |
熱擴散系數 | 1.2°C/W | 2.5°C/W | 選擇的(de)風扇(shan)散熱技能 |
應用領域
移動通(tong)(tong)信技術移動通(tong)(tong)信基站(zhan)
對于 LTE、WCDMA 或(huo) MC-GSM 通信基站設(she)備功(gong)效變(bian)大器的內在元器件(jian)封裝,提高高學習效率(lv)(lv)率(lv)(lv)、高線型(xing)的微波射頻(pin)數字(zi)信號變(bian)大,降低了通信基站設(she)備耗能與運營推(tui)廣制造費(fei)。
使廣泛(fan)用于多載(zai)波聚合物(CA)畫面(mian),可以通(tong)過(guo) DPD 技術性優(you)化多載(zai)波的信號(hao)的直線(xian)度。
汽車雷(lei)達與電子技術戰設(she)備(bei)
在聲納散發機中建立(li)聯通寬帶信(xin)號燈的(de)有效率(lv)(lv)調大,可以(yi)支持低(di)甄別(bie)率(lv)(lv)顯像(xiang)與階段目標觀測。
可應用于網絡戰中(zhong)的電(dian)磁波輻射機,完成高(gao)工作功率、寬帶網寬特(te)征參數推動行之有效(xiao)的電(dian)磁波對抗(kang)。
定(ding)位(wei)通信設(she)備與(yu)徽波傳輸
在 Ka 頻段或(huo) Ku 頻段通訊(xun)衛星流量數(shu)據終端(duan)中,當做輸(shu)(shu)(shu)入輸(shu)(shu)(shu)出(chu)放(fang)小元器件封裝,供應(ying)穩定(ding)的(de)的(de)衛星信號增益值與輸(shu)(shu)(shu)入輸(shu)(shu)(shu)出(chu)輸(shu)(shu)(shu)入輸(shu)(shu)(shu)出(chu)。
適(shi)合于(yu)微波通信高(gao)速傳(chuan)輸外鏈,支(zhi)持軟件長距里、高(gao)存儲容(rong)量的數劇(ju)高(gao)速傳(chuan)輸。
鄭州市立維創展信息技術是CREE的(de)銷售(shou)商,CREE機構廠品例如:LED基帶芯片、照(zhao)明(ming)燈(deng)具LED、背光LED、電源模塊按(an)鈕開(kai)關傳動裝(zhuang)置、微波射頻裝(zhuang)備用LED和無線網電裝(zhuang)置。中鐵二(er)院仰仗其好的(de)供(gong)應(ying)信息(xi)銷售(shou)渠道(dao),賦予持續(xu)的(de)貨源以充分(fen)考(kao)慮中國有股票市場的(de)需要。迎接在線咨詢。