市場資訊新聞
發表日期:2025-04-21 16:58:16 閱覽:374
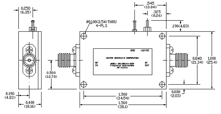
ALN4250-12-3535分米波低低頻噪音放縮器(LNA)是(shi)WENTEQ子(zi)公司在(zai)毫(hao)米(mm)波(bo)通訊(xun)網絡領域的重(zhong)要性商品,具(ju)有廣泛性app于5G/6G通迅、通迅衛星通迅、聲納系(xi)統等中頻場景中。ALN4250-12-3535主要包(bao)括發達的半導體芯片(pian)藝(yi)(如GaAs、GaN)和細致線路設置,背景噪聲指數公(gong)式低至0.5dB,有效率調(diao)控裝置燥音,升高預警清楚度。WENTEQ Microwave的mm毫(hao)米波低噪音污染增加器借(jie)助(zhu)于其技術(shu)應用特色、自定義化實力和制造費前(qian)景,在(zai)中(zhong)國餐(can)飲(yin)市(shi)場占(zhan)據(ju)著(zhu)更(geng)重要影響。
的特點:
從40.0到45.0GHz的(de)低噪音污染、高(gao)增加(jia)收益實際(ji)操作
低VSWR,無(wu)能(neng)力增強
容積小,價格低
2.4mm女方對接器輸人/內容輸出
要求單(dan)直流變壓器(qi)電源開關,內裝置電壓電流調(diao)整器(qi)
運作溫度表(biao)-40~+75°C,貯(zhu)存濕(shi)度-55~+85°C
杭州市立維創展科技產業是WENTEQ的銷(xiao)售商(shang),具體出(chu)示WENTEQ物料以(yi)(yi)及弧形(xing)器、丟(diu)開器、短路電流(liu)手持(chi)終端等,物料原版進口報關,質量管理以(yi)(yi)確保(bao),售價(jia)好處,歡迎語了解(jie)。

Parameters | Specifications | |||
Minimum | Typical | Maximum | ||
Frequency Range | GHz | 40.0 | 45.0 | |
Nominal Gain @25°C base plate temperature | dB | 31.0 | 35.0 | 38.0 |
Noise Figure | dB | 3.5 | 4.5 | |
P-1dB Compression Point | dBm | 15.0 | 16.0 | |
Output IP3 | dBm | 23.0 | 25.0 | |
Gain flatness | dB | +/-1.0 | +/-1.5 | |
Gain Variation over Temperature Range | dB | +/-1.5 | ||
Reverse Isolation | dB | 45.0 | ||
Input VSWR | - | 2.0:1 | 3.0:1 | |
Output VSWR | - | 2.0:1 | 3.0:1 | |
Spurious | dBc | 60.0 | ||
Operating Temperature | °C | -40.0 | +75.0 | |
Survival Temperature | °C | -45.0 | +85.0 | |
DC Power Supply Voltage | V | +12.0 | ||
DC Power Supply Current | mA | 250.0 | 300.0 | |
RF In/Out connectors | 2.4mm-Female | |||
DC Input Connector | Feedthru Pin | |||
Size | inches | |||