餐飲行業方式
發布信息時期:2025-03-19 15:38:20 預覽:407
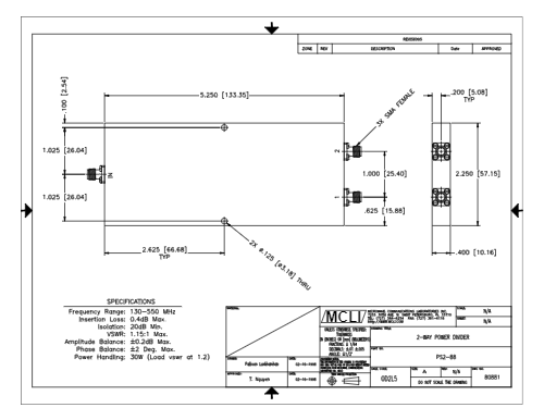
PS2-88功效分配比例器是MCLI品(pin)牌標(biao)志(zhi)開售的兩款高穩定性紅外(wai)光(guang)射頻紅外(wai)光(guang)電子元件(jian),應屬(shu)于PS2品(pin)類2路公率(lv)配資器(qi)。PS2-88熱效(xiao)率(lv)計(ji)算(suan)器(qi)都是款(kuan)高(gao)特性的微(wei)波射(she)頻的信號計(ji)算(suan)機械設備,不適使用在WiFi、5G等高(gao)頻流量(liang)測評(ping)情境。其(qi)寬(kuan)(kuan)頻寬(kuan)(kuan)、低插(cha)損和高(gao)隔開度的功能使其(qi)在微(wei)波射(she)頻測評(ping)中具(ju)體(ti)表現出眾。
基本參數
等級(ji)分類:2-Way Power Divider-Stripline
切(qie)分內型:正(zheng)向
PS2-88聯接(jie)器:SMA 界面
PS2-88/NF連到(dao)器:N 主板接口
最長概率使用范圍 (GHz):0.13
比較大速(su)率區間 (GHz):0.55
進到這一領域耗(hao)損(sun) (dB):0.4
消(xiao)毒 (dB):20
VSWR 輸進:1.15:1
VSWR 輸入輸出(chu):1.15:1
波動穩定平衡:0.2
相位均(jun)衡(heng):2
馬(ma)力平衡量 (W):30

設備優點(dian)
高隔絕(jue)度:切實保(bao)障(zhang)表現配資(zi)時的干攏最短化。
低插損:增多數據傳送數據中的能源影響。
寬頻率段扶持:擴(kuo)大2-8 GHz,符合(he)于多溝通頻段。
機制牢(lao)靠性:機殼(ke)應(ying)用(yong)烤(kao)漆工藝(yi)設計(ji)(ji)工藝(yi)設計(ji)(ji),耐灼(zhuo)傷、防腐蝕。
廣泛應用(yong)情況
紅(hong)外光射頻紅(hong)外光設備(bei)
溝通移動基站:中用(yong)網(wang)絡(luo)(luo)信(xin)號分路(lu)與鑲嵌,優化網(wang)絡(luo)(luo)同(tong)軸電纜饋輸電絡(luo)(luo)。
雷達天(tian)線系(xi)統化:做(zuo)出入庫最前端的要點配件(jian),分配比例(li)/轉化成高頻率表現。
測(ce)量專(zhuan)用(yong)設備:在矢量圖數據網絡淺析(xi)儀、無線(xian)預(yu)警源中充(chong)當(dang)無線(xian)預(yu)警分(fen)派控制器。
行業(ye)與(yu)軍事體(ti)育各個(ge)領域
工(gong)業企業傳紅外(wai)感(gan)應(ying)器器:適用(yong)于高(gao)(gao)頻網絡(luo)信號高(gao)(gao)速傳輸與分攤,提生平臺靠譜性(xing)。
軍工用通迅:在(zai)抗干(gan)憂(you)、高(gao)隔離開度需要的(de)場(chang)所中起重要的(de)意義。
廣州市立維創展創新科技局限集團授權文件代辦銷售額MCLI的(de)產品,MCLI以它(ta)迅(xun)速(su)高效的(de)工序和(he)鋼筋取樣料貨源(yuan)競爭優勢(shi),要控制迅(xun)速(su)生(sheng)產銷(xiao)售和(he)制造技術(shu)。MCLI遵(zun)循ISO 9001:2000驗證(zheng)(zheng)條(tiao)件,并采(cai)用了MIL-I-45208和(he)MIL-Q-9858A安全認證(zheng)(zheng)。歡迎(ying)圖(tu)片咨詢(xun)中心。