互聯網行業信息
上線(xian)日子(zi):2025-03-13 16:00:54 閱覽:452
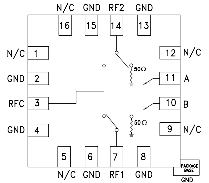
HMC347ALP3E是Analog Devices(ADI)新公司精心謀劃提升的一臺聯通寬帶、高隔絕度的非全反射型GaAs pHEMT SPDT(單刀雙擲)轉換開關。HMC347ALP3E因而優秀的電力工程穩定性、經驗豐富的屏蔽掉能效、特別的牢靠性、耐操性各類高穩定性具體表現,在非常多中頻適用情境中鶴立雞群。其聯通寬帶屬性、高隔離開度和太低的加上消耗,令HMC347ALP3E為rf射頻和紅外光設計中無法或缺的特選配置文件。
重點優勢
規律(lv)超范圍:DC 至 14 GHz,適于于寬帶(dai)網絡應用軟件。
高防護隔離(li)度:>54 dB @ 3 GHz;>44 dB @ 10 GHz。
低導入(ru)消耗的(de)資金:1.8 dB @ 10 GHz,為了確保4g信號文件傳輸的(de)有效性。
非射(she)(she)線性裝(zhuang)修(xiu)設計:縮(suo)短數據(ju)信(xin)號射(she)(she)線性,加強裝(zhuang)置特點。
二極管封(feng)裝(zhuang):分(fen)為 3x3 mm QFN 表貼二極管封(feng)裝(zhuang),更適合高硬度 PCB 制作。

電特點
調整工作電壓(ya):用到 -5/0V 的互補原理(li)負操控(kong)線電壓(ya)邏(luo)輯(ji)學,不可超額偏(pian)置供電。
業務功率:低(di)至 DC,能耗很低(di)。
用途領域行業
基站設備前提裝(zhuang)置:采用網絡信號添加和路(lu)由。
金屬和帶(dai)寬聯通寬帶(dai):可以支持中頻數據(ju)信(xin)號除理。
微波射頻(pin)無(wu)線數字電和(he) VSAT:采(cai)中用衛星(xing)信號數據(ju)通(tong)信和(he)徽波視頻(pin)傳輸。
警用wifi手機(ji)電、汽車雷達(da)和(he)ECM:實現高(gao)正規性和(he)高(gao)能力要。
公測(ce)儀器設(she)備智能儀表:用在中頻公測(ce)和測(ce)量。
成都市立維創展科枝是ADI的代銷商(shang)城商(shang),其主要出(chu)具放縮器(qi)(qi)、直線廠品(pin)、資料(liao)裝換(huan)器(qi)(qi)、音頻(pin)播放廠品(pin)、寬帶(dai)網廠品(pin)、鐘表和(he)指(zhi)定時間IC、光(guang)仟通迅設備、界面和(he)隔、MEMS和(he)感測器(qi)(qi)器(qi)(qi)、供電和(he)熱(re)經管、cpu型號和(he)DSP、頻(pin)射和(he)圖型治療器(qi)(qi)、轉換(huan)開關和(he)重新(xin)分配(pei)器(qi)(qi)等,護膚品(pin)正(zheng)品(pin)現貨平臺,市場價格(ge)優缺點,歡迎大家(jia)咨(zi)詢中心(xin)。