業內容
披露時段:2025-03-11 15:45:39 預(yu)覽:508
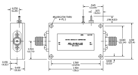
ALN4000-10-3530有的(de)是款由WENTEQ Microwave生產加工的(de)公厘波低(di)嗓聲增加器,專為公厘波頻段設計。ALN4000-10-3530低的噪音公式和高增(zeng)加收益優點(dian)使其形成中頻通信設備軟件中的至(zhi)關(guan)重要(yao)部(bu)件,也能(neng)有郊增(zeng)加訊號收發的機(ji)靈度和軟件的產品(pin) 能(neng)。

參數指標
頻繁 使用范圍:38 GHz~42 GHz
增加收益:35 dB
的噪音指數公式:3 dB
1 dB 壓解點:13 dBm
輸入三階交調截點:19 dBm
增加收益平整度:±1.5 dB
輸進/轉換 VSWR:2.5:1
正向底部隔離:55 dB
作業高溫空間:-40℃~+75℃
存放環境溫度范疇:-55℃~+125℃
技術應用區域
汽車雷(lei)達設計:中用公厘波雷達天線的(de)前段走勢(shi)縮放(fang),提拔測探多遠和(he)精密(mi)度。
衛星信號通(tong)信網絡:用作發收機的正面安置放小器(qi),增加4g信號(hao)發收重量。
5G/6G 通信設(she)備:不支持厘米波(bo)頻段的手機信(xin)號塔和終(zhong)端生(sheng)產設(she)(she)備生(sheng)產設(she)(she)備,資料手機信(xin)號擴大(da)和無線傳輸效應(ying)。
檢(jian)測與在測量:應(ying)用于高(gao)頻移動(dong)信號源的(de)圖像放大(da),確(que)保測試圖片高(gao)精(jing)度(du)。
東莞 市立維創展技術是WENTEQ的銷售商,一般提供數據WENTEQ物品(pin)設備涵(han)蓋環行器、防護隔離(li)器、負(fu)載電阻電子設備等(deng),物品(pin)設備原版進(jin)口的,質維持,房(fang)價(jia)特點(dian),祝(zhu)賀資詢。