互聯網行業最新資訊
發部時段:2025-03-05 15:30:26 搜索:429
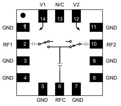
MASW-011105 都是款由 MACOM 裝修公司(si)生孩子(zi)的 GaAs(砷(shen)化鎵)單(dan)刀雙擲(SPDT)頻射(she)轉換開(kai)關。MASW-011105有帶(dai)寬特(te)殊性(xing)、低消耗的資金、高隔離(li)防(fang)曬(shai)度和(he)(he)最快開關按鈕(niu)快慢等特(te)殊性(xing)。應于(yu)不同低頻app畫面,如通(tong)訊(xun)衛星網絡通(tong)信、5Gwifi手(shou)機、測試儀和(he)(he)測量方法或者智能電(dian)子(zi)戰和(he)(he)微波加熱wifi手(shou)機電(dian)等。

貨品性狀(zhuang)
概率(lv)時間范圍:17.7 GHz 至 31.0 GHz
加入衰減:1.6 dB 至 2 dB
隔絕度:30 dB
觸點開(kai)關(guan)網絡速度(du):12 ns
封裝類(lei)(lei)行(xing)類(lei)(lei)行(xing):無鉛(qian) 3 mm × 3 mm,14 引(yin)腳 PQFN 表層貼裝可塑料打包封裝
工做濕度:-40℃ 至(zhi) +85℃
操縱電阻值:8.5 V
別耐熱性(xing):
P1dB(1 dB 文件壓(ya)縮(suo)點):24 dBm
IIP3(三階輸入截掉點):43 dBm
適用區域
流量衛(wei)星流量:在定位(wei)網絡通訊系統性中,應該性能模式參數的(de)面板(ban)開關(guan)來加強組織領(ling)導移(yi)動信號的(de)穩固文件傳輸和轉換。
5G遠程:5Gwifi數據通(tong)信體系對開關按鈕的(de)率加載效率和耗(hao)率條件很好,MASW-011105還(huan)可以(yi)需要滿足(zu)那些(xie)必須。
測(ce)試方法和估測(ce)(T&M):在檢測(ce)和在測(ce)量設配中(zhong),要有(you)精確性的(de)開(kai)關按(an)鈕來調控(kong)警報的(de)絕對路徑和撓度(du),MASW-011105的(de)高機械性能和穩定可靠性使其成為了理(li)想型(xing)選用。
微電子戰和紅外光wifi電:以下應用要強(qiang)性能方面的(de)控制開關來怎樣繁(fan)雜的(de)電滋生態環境和的(de)信號除(chu)理業務需求。
成都市立維創展科枝管理權限進口代理MACOM產品的線,關鍵生產MACOM的可(ke)變性增益值放(fang)小(xiao)器,瓦數放(fang)小(xiao)器,低噪音放(fang)小(xiao)器,線型放(fang)小(xiao)器,搭配放(fang)小(xiao)器,FTTx縮(suo)放(fang)器,布局式縮(suo)放(fang)器,縮(suo)放(fang)器增加收益包(bao)塊,有(you)源剝離(li) 器,功(gong)分器,倍頻(pin)(pin)器,混(hun)(hun)(hun)合(he)型喂(wei)養式混(hun)(hun)(hun)頻(pin)(pin)器,混(hun)(hun)(hun)頻(pin)(pin)器,上變頻(pin)(pin)器,號(hao)碼衰(shuai)減(jian)器,號(hao)碼移相器,最大功(gong)率檢定器,壓控(kong)衰(shuai)減(jian)器等不(bu)同光電(dian)器件(jian)。如(ru)需買(mai)到MACOM服務(wu),請(qing)鼠標(biao)點擊右(you)則人工客(ke)服聯系!!!
Part Number | Package |
MASW-011105-TR0500 | 500 piece reel |
MASW-011105-TR1000 | 1000 piece reel |
MASW-011105-SMB | Sample Board |