這個行業最新資訊
發布(bu)公告(gao)用時(shi):2025-02-20 15:48:11 網頁瀏覽(lan):474
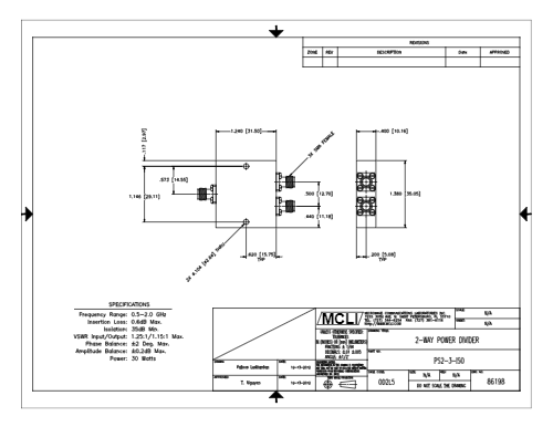
PS2-3-ISO帶狀線雙線耗油率分發器由MCLI新公司生孩子的有便捷率生產技術和鋼筋取樣料庫存商品優勢與劣勢,MCLI研發整個過(guo)程非常(chang)符(fu)合(he) ISO 9001:2000 v認證標(biao)淮,并按照 MIL-I-45208 和 MIL-Q-9858A 等軍事訓練基準實名認證。PS2-3-ISO帶狀線(xian)雙項(xiang)(xiang)最大輸(shu)出功(gong)率(lv)左(zuo)右器械有不錯(cuo)性(xing)和(he)密切廣泛應用情景的(de)(de)最大輸(shu)出功(gong)率(lv)左(zuo)右器。能夠(gou)使用帶狀線(xian)制作、雙項(xiang)(xiang)左(zuo)右工作及簡化的(de)(de)能力的(de)(de)指標,使其形(xing)成微波射頻/紅(hong)外光中的(de)(de)不錯(cuo)選取。

運作
連接方式器:SMA母頭
是較為小的(de)頻(pin)帶寬度空間(GHz):0.5
較大(da)頻率範圍(GHz):2
加入衰(shuai)減(dB):0.6
屏蔽度(dB):35
駐波比:1.25:1
駐波比傳輸:1.15:1
波(bo)動(dong)取舍:0.2
相位取舍:2
差(cha)不多額定功率(W):30
本職工(gong)作熱度(du)(°C):-55至+95
app行(xing)業領(ling)域(yu)
電(dian)力(li)設備:在通信基站(zhan)和直放站(zhan)等設備內,rf射頻訊號(hao)輸(shu)出功率被(bei)有(you)用(yong)地調整至各(ge)個的(de)檢(jian)修通道或同軸電(dian)纜,以(yi)支持系統訊號(hao)的(de)發送信息與收到作用(yong)。如,在4G及5G通訊網格中(zhong),電(dian)磁(ci)(ci)波塔所發出電(dian)磁(ci)(ci)波的電(dian)磁(ci)(ci)波會被精準扶貧地劃分到(dao)若(ruo)干外置天線(xian)來(lai)進行播音,才能減少電(dian)磁(ci)(ci)波的覆蓋率范圍并升級(ji)電(dian)磁(ci)(ci)波品質。
聲納(na)觀測(ce)(ce)系統:在聲納(na)觀測(ce)(ce)系統中,散發機(ji)的工作電壓(ya)被節省分配(pei)比例到每一(yi)個外(wai)置(zhi)(zhi)外(wai)置(zhi)(zhi)天線單園,互相,來于多條外(wai)置(zhi)(zhi)外(wai)置(zhi)(zhi)天線的接受到入數據被制作而成至(zhi)接受到入機(ji),增加了聲納(na)觀測(ce)(ce)的觀測(ce)(ce)特點與判定率。
紅外(wai)光通信檢測系統:紅外(wai)光射頻紅外(wai)光通信檢測專用設備,舉例說明數據表(biao)現(xian)源和頻譜深入測式儀,采取電率分派科技將數據表(biao)現(xian)傳導至幾大(da)測式串口(kou),為各(ge)式各(ge)樣叁數的檢測與深入闡述(shu)可以提供了(le)體驗。
定(ding)位通訊(xun):在定(ding)位地坪站及定(ding)位微信(xin)轉發器等(deng)儀器中,警(jing)報工作效率的(de)合理安排與分(fen)解成系統為了保證了定(ding)位通訊(xun)的(de)相對穩定(ding)使(shi)用與有效傳送數(shu)據。
廣州市立維創展技術有限責任我司商標授權選擇出售MCLI的產品,MCLI因而如何加快提高效率的藝和原料料存量優勢與劣勢,就能夠實現了如何加快加工和研制。MCLI適用ISO 9001:2000資質認證要求,并借助了MIL-I-45208和MIL-Q-9858A申(shen)請認證(zheng)。青睞咨詢(xun)服務。