企業信息資訊
推送用時:2025-02-18 15:53:51 瀏覽記錄:458
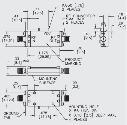
A2CP12026是Teledyne防務智能電子集團公司的的COUGARPAK?系例放縮器。仰仗非凡的耐磨性、精湛的穩定的性、低耗能各類合理的一體化優點,A2CP12026范圍廣應運在微波通訊通訊、統計軟件和自測校正等若干這個領域。

大多(duo)性能
運(yun)轉率區域(yu):6.0 GHz至12.0 GHz
高(gao)增加收(shou)益:25.0dB
低環境(jing)噪聲標準值:2.5dB
高的英語輸入輸出平均水平:+21.0 dBm
高倒置(zhi)要進行(xing)隔離:50.0dB
氣溫比率:-55°C至(zhi)+85°C
適(shi)用范疇
微波(bo)射頻(pin)通訊網絡:在(zai)微(wei)波射頻通(tong)信設備網(wang)(wang)路(lu)中,A2CP12026用在(zai)變成rf射頻信息,可(ke)行賠償金信息數據傳輸流程中的(de)衰減,抓實長空距網(wang)(wang)絡(luo)通(tong)訊的(de)信息剛度與高質(zhi)量(liang)管理,隨之增加網(wang)(wang)絡(luo)通(tong)訊所覆(fu)蓋率(lv)圖(tu),優化網(wang)(wang)絡(luo)通(tong)訊高質(zhi)量(liang)管理。
雷(lei)達(da)天線遙測:在統計(ji)操作系統中,A2CP12026 才能促進統計放(fang)出與傳輸表現的抗壓強度,于(yu)是增添統計的測(ce)探(tan)間距,挺高(gao)測(ce)探(tan)精確度,相對階段目標的明(ming)確監測(ce)與跟蹤至關關鍵性。
電商對敵:在光電反(fan)擊(ji)的領域,A2CP12026既能(neng)不斷增強抑(yi)制(zhi)數據(ju)信息(xi)的發(fa)程度,提升自己抑(yi)制(zhi)效能(neng)建設,也能(neng)夠(gou)增加接受(shou)到的敵(di)方英雄數據(ju)信息(xi),為淺析和推進抵抗(kang)原則能(neng)提供(gong)有勁能(neng)夠(gou)。
北斗衛星(xing)通(tong)迅(xun):在(zai)衛星影像通信設備中(zhong),A2CP12026 用在變成遙感小(xiao)行(xing)(xing)星(xing)影像(xiang)面站與遙感小(xiao)行(xing)(xing)星(xing)影像(xiang)間發送的上行(xing)(xing)速(su)率與下行(xing)(xing)帶寬預警,保障遙感小(xiao)行(xing)(xing)星(xing)影像(xiang)通訊技(ji)術線路的安(an)穩性和參數(shu)發送的不靠譜(pu)性。
東莞市立維創展科學是Teledyne防務電子器材的銷售商商,提供數據Teledyne防務電子為了滿足電子時代發展的需求,新產品包擴LDMOS、GaN、GaAs和InP。Teledyne防務電商軟件支技寬頻帶寬度、窄帶、脈沖信號放小器,優質校園營銷渠道給予Teledyne防務微電(dian)子訂購,熱烈歡迎諮詢。
Frequency (Min.) | 5.0-12.0 GHz | 6.0-12.0 GHz | 6.0-12.0 GHz |
Small Signal Gain (Min.) | 25.0 dB | 24.0 dB | 23.5 dB |
Gain Flatness (Max.) | ±1.0 dB | ±1.5 dB | ±1.7 dB |
Noise Figure (Max.) | 2.5 dB | 3.0 dB | 3.5 dB |
SWR (Max.) Input/Output | 1.8:1 | 2.0:1 | 2.0:1 |
Power Output (Min.) @ 1dB comp. | |||
6.0 - 8.0 GHz | +19.0 dBm | +17.5 dBm | +17.0 dBm |
8.0 - 12.0 GHz | +21.0 dBm | +20.0 dBm | +19.5 dBm |
Reverse Isolation | 50 dB | — | — |
DC Current (Max.) | 130 mA | 138 mA | 142 mA |