餐飲行業最新資訊
上(shang)架(jia)時間(jian)段:2025-02-10 15:58:30 查看:623
ALN3750-13-3335公厘(li)波低噪音(yin)源放縮器(qi)是公厘(li)波網絡通信(xin)軟(ruan)件系統中的管理處控件,專為高頻(pin)率信(xin)號燈放縮而設定,需要(yao)使用作5G及未來發展6G安全(quan)(quan)可靠、北斗衛星安全(quan)(quan)可靠及其雷達(da)探測(ce)設備等mm毫(hao)米波頻段運用。
基本特性:
概率面積:ALN3750-13-3335在35.0至40.0GHz頻(pin)段內展示 低躁聲、高增益控制的運作能。
維持性與適應:擁(yong)有低交流(liu)電壓(ya)駐(zhu)波(bo)比(VSWR),加強組織領導(dao)無狀態保持(chi)穩定(ding),升高(gao)設(she)計綜合特點。
省油(you)的suv成本:體積計算小巧玲(ling)瓏,成(cheng)本價管理效益高(gao),適宜集合(he)于各種各樣寬敞型(xing)通(tong)訊裝(zhuang)置中(zhong)。
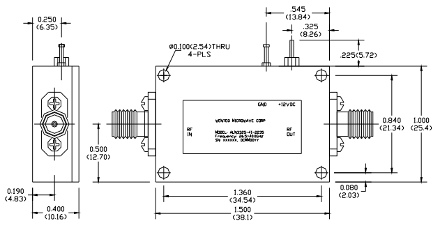
接頭(tou)細則:主(zhu)要包括K型母接入器用于(yu)投入/輸(shu)出音頻(pin)接口,用于(yu)與別模塊鏈接。
供電意愿:僅需簡單整(zheng)流主機電(dian)變電(dian),內嵌式電(dian)流可(ke)以控(kong)制器(qi),優化主機電(dian)管控(kong)。
氣溫不適(shi)應能力(li)很強:工(gong)做(zuo)溫暖(nuan)面積寬(-40°C至+75°C),補充室內溫度時(shi)間(jian)范(fan)圍(-55°C至+85°C),改變(bian)多種(zhong)多樣(yang)學習環境生活條件。
耐磨性:
特低噪(zao)音分貝常(chang)數:ALN3750-13-3335得益于高級的半導加工(gong)制作工(gong)藝 和精細化(hua)的三極(ji)管設置,建立了非常低的躁(zao)音彈(dan)性系(xi)(xi)數(shu),很好可抑制整(zheng)體躁(zao)音,相關系(xi)(xi)數(shu)加快數(shu)據信(xin)號明晰(xi)度。
高增益控制性能指標:為(wei)充分(fen)考(kao)慮分(fen)米(mi)波通(tong)信網絡對(dui)預(yu)警構造的(de)嚴格需求,ALN3750-13-3335出示高增(zeng)益值輸(shu)(shu)送,保證 4g信號在高速傳輸(shu)(shu)鏈接中持(chi)續滿足的難度(du),以減(jian)少(shao)衰減(jian)。
卓越的(de)穩確定(ding)高(gao)性:為應對自激(ji)振(zhen)動和信息輪廓,ALN3750-13-3335用信息化的均衡(heng)格(ge)局(ju)或固定(ding)(ding)性處理開(kai)展技術(shu)水平,事關在(zai)厘米波頻段(duan)內固定(ding)(ding)本職工(gong)作。
佛山市立維創展科技產業是WENTEQ的代理(li)商商,主要打(da)造WENTEQ類設(she)備包涵環狀器、隔(ge)絕器、電機負載終(zhong)端(duan)設(she)備等(deng),類設(she)備原廠進口貨,產品質量確定,價格多少強勢(shi),誠邀咨(zi)詢中心。

Parameters | Specifications | |||
Minimum | Typical | Maximum | ||
Frequency Range | GHz | 35.0 | 40.0 | |
Nominal Gain @25°C base plate temperature | dB | 30.0 | 33.0 | 36.0 |
Noise Figure | dB | 3.5 | 4.0 | |
P-1dB Compression Point | dBm | 12.0 | 15.0 | |
Output IP3 | dBm | 18.0 | 22.0 | |
Gain flatness | dB | +/-1.5 | +/-2.0 | |
Gain Variation over Temperature Range | dB | +/-1.5 | +/-2.0 | |
Reverse Isolation | dB | 55.0 | ||
Input VSWR | - | 1.8:1 | 2.5:1 | |
Output VSWR | - | 1.8:1 | 2.5:1 | |
Spurious | dBc | -70.0 | ||
Operating Temperature | °C | -40.0 | +75.0 | |
Survival Temperature | °C | -45.0 | +125.0 | |
DC Power Supply Voltage | V | +8.0 | +10.0 | +12.0 |
DC Power Supply Current | mA | 150.0 | 230.0 | 280.0 |
RF In/Out connectors | k-Female | |||
DC Input Connector | Feedthru Pin | |||
Size | inches | 1.50×1.0×0.4 | ||