制造行業信息
發表時:2024-12-10 17:10:14 搜索:628
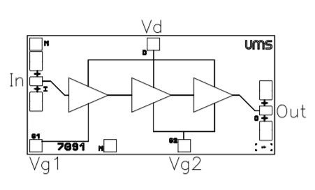
CHA2193-99F是款四級低躁音放縮器。處理器的反面是rf射頻和電流接地系統。有益于SEO優化按照的過程。
CHA2193-99F著(zhu)力推(tui)進(jin)于從(cong)民防中國軍事(shi)到商(shang)業圈售后服務(wu)通(tong)訊網(wang)系統(tong)的大部(bu)分(fen)用(yong)到使用(yong)需求(qiu)設計的概念。
CHA2193-99F采用pHEMT工序方(fang)法,柵極厚度(du)為0.25μm,按照其基材上的通孔、環境橋和光電子束柵流星刻水平(ping)。
CHA2193-99F以集成塊手段提拱。
大部分的特征
2.0 dB噪音污染彈性系數
18 dB±1dB增加收益
8 dBm導出額(e)定功率(-1dB增加收(shou)益(yi)賠賞)
較好(hao)的移動寬(kuan)帶投入自適應
電(dian)流(liu)電(dian)工作頻率,60mA@3.5V
處理(li)芯片規格尺寸(cun):2.07 x 1.03 x 0.10mm
北(bei)京市立維(wei)創(chuang)展科技創(chuang)新(xin)非常有限大公司認證(zheng)經銷商UMS微波射頻,重要性一部分(fen)產品(pin)型號的(de)UMS成品(pin)給出高質的(de)現貨交易(yi)成品(pin)庫存盤點,的(de)歡迎資訊(xun)。

| Reference | RF Bandwidth (GHz) | Gain | Gain Flatness | Noise Figure | P-1dB OUT | Bias | Bias | Case | |
| min | max | ||||||||
| CHA2193-99F | 20 | 30 | 18 | 0.5 | 2 | 8 | 60 | 3.5 | Die |