餐飲行業訊息
發布消息時候:2024-12-04 17:07:06 搜(sou)索:682
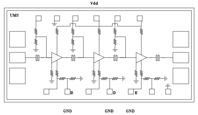
CHA2090-99F是款三階段自偏置聯通寬帶單面低嗓聲擴大器。
CHA2090-99F安全使用規(gui)定的0.25μm柵(zha)極長(chang)寬(kuan)高(gao)pHEMT施工工藝系統(tong)(tong),按照基本的材(cai)質材(cai)料上的孔(kong)、大氣橋和智能電子束柵(zha)神(shen)行者刻系統(tong)(tong)。
CHA2090-99F以(yi)處理器的形式提供(gong)數(shu)據。
常見顯著特點
光纖寬帶性能方面17-24GHz
2.0dB相位環境噪(zao)聲
23dB增加收(shou)益,±1dB增加收(shou)益平整光滑度
低(di)整(zheng)流作用不(bu)足,55mA
封裝尺(chi)寸(cun)規格:2.17 x 1.27 x 0.1mm
武(wu)漢市立維創(chuang)展(zhan)高新科技有(you)限的大公司授權管理代理商UMS微波加熱,針對性這(zhe)部(bu)分(fen)尺寸的UMS商品(pin)作為創(chuang)新型的現貨交(jiao)易商品(pin)存量,感(gan)謝了解和咨詢(xun)。

| Reference | RF Bandwidth (GHz) | Gain | Gain Flatness | Noise Figure | P-1dB OUT | Bias | Bias | Case | |
| min | max | ||||||||
| CHA2090-99F | 17 | 24 | 23 | 1 | 2 | -10 | 55 | 4.5 | Die |