互聯網行業信息資訊
公布精(jing)力(li):2024-10-31 17:21:25 訪問:577
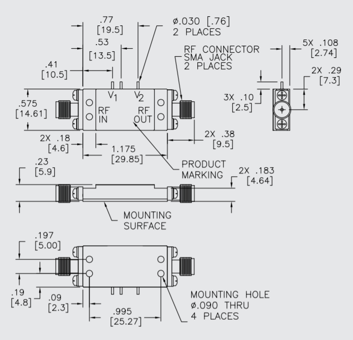
A2CP11039rf射頻放縮器也是款基本概念Teledyne防務光學生育制作的高能力變成器,配備高至12 dB的增益值范圍圖和4dB低相位燥聲,頻率使用范圍從5.0-10.0 GHz。A2CP11039微波射頻放縮器代替移動通訊程序、機載雷達天線和電子廠戰程序等必須 高高精度增益設定設定和有效率加工處理的利用。

技術指標
加寬頻:5.0-10.0 GHz
高收獲:12.0dB
低相位環境噪(zao)聲:4.0dB
高功效復合膜
高(gao)額(e)定(ding)功率(lv)有級CougarPak?
互個性能
典型示范@25°C A2CP11039
二階諧波(bo)切斷點+63 dBm
二階雙音捕獲點(dian)+57 dBm
三階雙(shuang)音提(ti)取點42 dBm
絕(jue)對是較高(gao)電(dian)機額定(ding)功(gong)率值
會自(zi)動儲存平均溫度-65至+150℃
最大(da)金屬外殼氣溫+125℃
最(zui)高的(de)人整流端電壓+14伏
高接連頻射復制粘貼熱效率+20 dBm
點燃室內溫度(du):125℃
熱導率1(θjc):4.5°C/W
結泄(xie)漏電(dian)流(liu)如果超過(Tjc):88.4℃
廣州 市立維創展科技開發是Teledyne防務電子設備的生產商商,保證Teledyne防(fang)務電(dian)子器材類產品覆(fu)蓋LDMOS、GaN、GaAs和InP。Teledyne防(fang)務電(dian)子器件服(fu)務認可寬頻段(duan)、窄帶、智能(neng)圖像電(dian)壓放大器,幀率1MHz~220GHz,馬力mW~10kW,好處銷售(shou)渠道出具Teledyne防(fang)務智能(neng)電(dian)子訂購,誠(cheng)邀諮詢。