行業內新聞資訊
上(shang)架日期:2024-10-23 17:02:25 訪(fang)問:597
Synergy的KSFLOD12800-12-1280非常低的低頻噪音鎖相改換器是種高準確性的幀率轉變解決辦法預案,全力于有幾個范疇關聯app需求分析設計的。KSFLOD12800-12-1280使用極低嘈音標準值?和REL-PRO?專利權科技發展,為航空工業制造工程施工中國國防工業制造、聯通在線在線、工控設備電腦自動化操縱、醫療管理運動器械、科技發展研究探討等具備正確的頻繁操縱。

特征描述:
特別躁聲標準值
Ku頻譜源
里面的監管
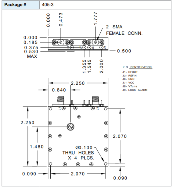
小封口
性能參數
頻繁 (Fo)12.8 GHz
打印(yin)輸出(chu)電機功率≥+10dBm
參考(kao)選取(qu)投入率1280 MHz
基準輸進電(dian)平+9至+13 dBm
外接電源電壓(ya)電流Vcc(Vdc)Icc(最好mA)+12500
諧(xie)波(2*Fo)27 dB(超小值)
次諧(xie)波(3*Fo)37 dB(比較小值)
輸出(chu)精(jing)度雜散(san)75 dB(最少值)
參閱(yue)頻(pin)寬1 70 dB(是較為小的(de)值(zhi))
打出根據電阻值50Ω(標(biao)稱)
基本特征(zheng)噪聲污染標準值(zhi)
偏差燥聲公式
@1 kHz-114 dBc/Hz@10 kHz-122 dBc/Hz@100khz-123dB/HZ@1MHz-138dB/HZ@10MHz-158dB/HZ定位功能(neng)論文(wen)檢測信(xin)息顯示燈CMOS高(品牌定位),CMOS低(市場定位)
基本操作熱度
動(dong)用面積-20至+50°C
會自動(dong)儲存熱度(du)運行區間(jian)-40至(zhi)+85°C
廣州 市立維(wei)創展科技創新是Synergy的(de)(de)總(zong)經(jing)銷商(shang)(shang)商(shang)(shang),核心(xin)作為(wei)Synergy微波通信壓控(kong)自(zi)由自(zi)由震(zhen)蕩(dang)器(qi)、多晶體自(zi)由自(zi)由震(zhen)蕩(dang)器(qi)、鎖(suo)相(xiang)(xiang)自(zi)由自(zi)由震(zhen)蕩(dang)器(qi)、鎖(suo)相(xiang)(xiang)環頻次提煉器(qi)、混頻器(qi)等(deng)物品(pin)(pin),物品(pin)(pin)地處芬蘭東北部的(de)(de)就直接檢修通道,加快卡死我(wo)們雇主的(de)(de)的(de)(de)需求(qiu)。歡迎語了解。