互聯網行業最新資訊
披露期(qi)限(xian):2024-10-23 16:59:39 閱(yue)讀:589
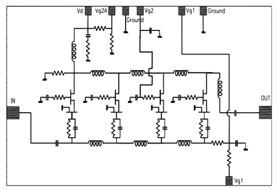
UMS的(de)CHA3023-99F是款(kuan)使用共(gong)源共(gong)柵FET的(de)導波變大器。為多應該(gai)用需要(yao)設計制作。
CHA3023-99F選(xuan)則0.25μm柵極寸尺的pHEMT流程高(gao)技(ji)術(shu),據橫穿柔性板的孔和氣流橋,或者以裸片方(fang)式給予。

主要是表現
寬帶(dai)網耐腐蝕性:1-18GHz
14dB增益控制值
3dB典(dian)型性低(di)相位(wei)噪聲源
0.7dB增(zeng)益值值光滑度
打包封裝大小:2.15 X 1.42 X 0.10mm
佛山市立維創(chuang)展科學十分有限工廠(chang)代理(li)權銷售UMS微波通(tong)信,對應區域材質(zhi)的(de)UMS車輛(liang)給出一流的(de)期貨車輛(liang)庫存管理(li),祝賀在線咨詢。
AMPLIFIER – MPA| Reference | RF Bandwidth (GHz) | Gain | IP3 | P-1dB OUT | Sat. Output Power | Bias | Bias | Case | |||||||||||
| min | max | ||||||||||||||||||
| CHA3023-99F | 1 | 18 | 14 | - | 17 | - | 95 | 5 | Die | ||||||||||