MAAD-011021-0GPDIE數字化衰減器現貨交易交易量MACOM
頒布事件:2024-10-15 17:37:16 手機(ji)瀏(liu)覽:695
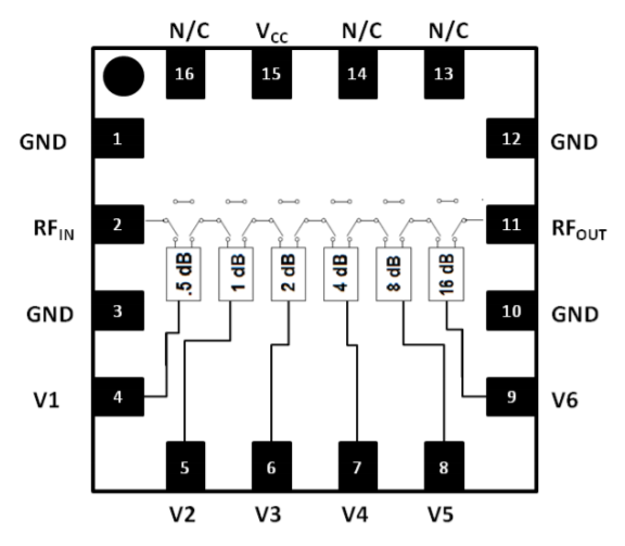
MACOM的MAAD-011021-0GPDIE是款覆蓋DC至30 GHz的寬帶6位數字衰減器。衰減位值為0.5 dB LSB(最低索引值)、1、2、4、8和16 dB,總衰減為31.5 dB。MAAD-011021-0GPDIE衰減偏差通常低于+/-0.5 dB,RMS相位偏移在20 GHz時低于5度,典型插入損耗在15 GHz時為7.2 dB。在大多數頻率和衰減情況下,插入損耗一般為12dB。
MAAD-011021-0GPDIE衰減器一體化化一些定頻器,搭載對電容串聯/串連衰減變現單調化操控性。定頻器必須 -5V按鈕開關24v電源(VCC)和17mA的舉例電壓電流量,思維模式性為0V/+5V。MAAD-011021-0GPDIE用做為裸片帶來了;

有特點6位,0.5 dB LSB,31.5 dB的使用空間低均方根相位4.3°@20 GHz+/-0.5 dB關鍵次方測量誤差ibmsTTL 0/+5V控制電腦DC至30 GHz在使用其它調控與偏壓的ESD呵護無鉛3mm 16管腳PQFN打包封裝設備規格尺寸指出:金額衰減器,6位,0.5 dB LSB步幅低于頻次(MHz):0極高平率(MHz):30000衰減器施用區域(dB):31.5復制到損耗率(dB):6.000五位數:6IIP3(dBm):38封裝類型:3mm PQFN-16LD芯片封裝類屬:泡沫塑料單單從表面貼裝技術ROHS:YES武漢市立維創展社會軟件授權POS機代理MACOM食品線,包括產生MACOM的可變性收獲放小器,工率放小器,低噪音污染放小器,平滑放小器,交織型放小器,FTTx放小器,遍布式放小器,放小器收獲模快,有源提取器,功分器,倍頻器,交織型式混頻器,混頻器,上變頻柜器,小數衰減器,小數移相器,工率軟件檢驗器,壓控衰減器等多樣半導。如需買到MACOM食品,請點擊量右下博主咨詢公司!!!