產業信息
推(tui)送用時:2024-08-27 09:19:10 瀏覽(lan)訪(fang)問:6212
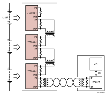
LTC6804是由ADI-LINEAR公(gong)司開發的(de)(de)第三代多節電(dian)池(chi)監(jian)(jian)控器芯片(pian),專為高精度和高效率的(de)(de)電(dian)池(chi)管理系統(tong)設計。該芯片(pian)能(neng)夠(gou)監(jian)(jian)測多達12個串聯電(dian)池(chi)的(de)(de)電(dian)壓,總(zong)測量(liang)誤差低于1.2mV,適(shi)用于0V至(zhi)5V的(de)(de)電(dian)池(chi)測量(liang)范圍,使其兼(jian)容大多數化學組分(fen)的(de)(de)電(dian)池(chi)。

LTC6804的主要特點包括:
1. 高快速度自動預估:擁有12節電池充電的線電壓自動預估就能夠在290微秒內達成,同一適配較低的數值抓取波特率以減弱燥聲抑制性。 2. 可堆疊搭建:數個LTC6804處理芯片應該串接適用,完成對長串高額定電壓電池充電的同時監察。 3. isoSPI模塊:內裝置的isoSPI模塊支撐快速路、抗RF干撓的局域通信設備,實用單根雙銅絞合線可將近400米,含有低EMI過敏度和普及。 4. 小于量測:1.2mV的最大的總量測計算誤差,包括16位增加量累計(ΔΣ)型ADC,裝備概率可編譯程序的三階噪音污染濾波器。 5. 多效果性:屬于普通攻擊電池組電荷量動平衡機、內部設置5V穩壓電源和5根互通的I/O線,適用于氣溫或其它感知器鍵入,并可手機配置為I2C或SPI控制器器。 6. 低額定功率:在深睡的模式下,瞬時電流使用減輕至4μA。 7. 封口:分為48引腳SSOP封口。型號:
| TUBE | TAPE AND REEL | PART MARKING* | PACKAGE DESCRIPTION | SPECIFIED TEMPERATURE RANGE |
| LTC6804IG-1#PBF | LTC6804IG-1#TRPBF | LTC6804G-1 | 48-Lead Plastic SSOP | -40℃ to 85℃ |
| LTC6804HG-1#PBF | LTC6804HG-1#TRPBF | LTC6804G-1 | 48-Lead Plastic SSOP | -40℃ to 125℃ |
| LTC6804IG-2#PBF | LTC6804IG-2#TRPBF | LTC6804G-2 | 48-Lead Plastic SSOP | -40℃ to 85℃ |
| LTC6804HG-2#PBF | LTC6804HG-2#TRPBF | LTC6804G-2 | 48-Lead Plastic SSOP | -40℃ to 125℃ |
蘇州市立維創展創新科技是ADI \ Linear 的代里商,以代里分銷模式存量現貨交易ADI \ Linear為物料強勢,可展示同一天送貨服務的,的歡迎質詢。