領域訊息
上線時(shi)刻:2024-08-16 09:15:00 閱(yue)讀:794
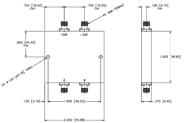
HJ-13混合耦合器是MCLI一(yi)款(kuan)工作在7.2至8.5 GHz頻率范圍的(de)設備(bei),具(ju)有以下特點:
- 隔離防曬能為16dB,行之有效縮短衛星信號流出。 - 電流值駐波之比1.50:1,表達出來穩定的信息切換。 - 較大 復制到不足為0.6dB,警報能量消耗折損小。 - 相位取舍在±4度連加連減,事關無線信號操作的精準的性。 這車交叉耦合器適于于對的信號純凈體系性和安全性規范較高的徽波通信體系體系。
上海市立維創展自動化較少公司的,授權文件代理權經銷商MCLI廠(chang)品,歡迎辭用戶了解和咨(zi)詢。