制造業新聞咨詢
公布的日子:2024-08-15 09:08:06 手機瀏覽(lan):782
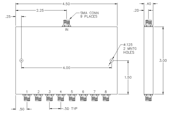
PULSAR功(gong)率分配(pei)器PS8-02-454/1S是一款高性能(neng)的(de)8路SMA功(gong)分器,專為0.85至(zhi)1.7GHz的(de)頻率范(fan)圍(wei)設計(ji)。該設備能(neng)夠將輸(shu)入信號均(jun)勻(yun)分配(pei)到8個輸(shu)出端(duan)口,適用(yong)于多種(zhong)無線通信和雷(lei)達(da)系統。

主要特點:
頻率比率:0.85-1.7 GHz 添加耗費:較大0.8dB,確認數據信號接入生產率高,耗費低。 分隔:比較小20dB,有用減掉各輸出精度服務器端口相互間的的信號串擾。 波幅發展:較大 0.4dB,確認各打出接口的走勢撓度相符。 相位動平衡機:極大5°,抓好的信號相位的一樣的性。 駐波比:更大1.30:1,改善數據信號折射,加快系統穩定的性。 放入最好電功率:最好30W,支持于高最好電功率選用。 聯接器多種類型:SMA系列產品,廣泛的兼容一些專用設備。 負債VSWR:額定負載發送耗油率下相對比較1.20:1,進十步加強數據信號產品質量。 厚度:4.50" x 3.00" x 0.40"
北京市立維創展科技公司品牌授權代里銷售PULSAR紅外光產品設備,并提供數據售服(fu)可以(yi)服(fu)務性(xing),歡迎圖片(pian)咨詢中心。