職業快訊
發(fa)部精力:2024-08-07 08:58:58 挑選:780

EPD-4L-SF功分器是由ELECTRO-PHOTONICS公司生產的一(yi)款高性能(neng)、寬頻帶的4路(lu)功率(lv)分配(pei)器/組合器。該產品的主要(yao)特點和規格如下:
主要特點
領域性: 0° 頻繁 的范圍: 4.0 GHz到8 GHz 最好的輸出最大功率: 30W 高耐腐蝕性: 作為低放進去損耗費、高隔離開度、低駐波比(VSWR)和出眾的增長幅度及相位平衡量。 主體工程型長寬比: 設定主體工程型,用于在十分有限的環境空間內安轉和用到。性能規格
| PARAMETER | SPECIFICATION |
| FREQUENCY RANGE | 4.0-8 GHz |
| EXCESS INSERTIONLOSS* | 0.8dB |
| ISOLATION | 18 dB |
| VSWR | 1.3 |
| AMPLITUDE BALANCE | ±0.3 dB |
| PHASE BALANCE | ±3° |
| POWER HANDLING | Forward:30W |
| Reverse:1W |
應用領域
機械規格
| PARAMETER | SPECIFICATION |
| MATING INTERFACE | SMA(F) |
| OPERATINGTEMP | -55 TO+85℃ |
| NON-OPERATINGTEMP | -55 TO+100 ℃ |
| MATERIAL/FINISH | Aluminum with black epoxy |
| resin paint |
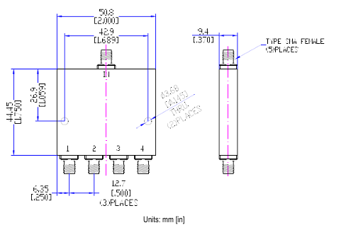
尺寸圖:

ELECTRO-PHOTONICS收(shou)獲25年的唯一被動微(wei)波射頻(pin)元器(qi)件設計與制造出相關經(jing)驗,設備是指(zhi)混雜和定向就(jiu)業耦合電路器(qi)、功分器(qi)、濾波器(qi)、測試圖片板、防護隔離器(qi)、環型(xing)器(qi)等設備。
廣州 市(shi)立維創展科技(ji)信息局限廠(chang)家選擇包銷Electro-Photonics食(shi)品。若是想(xiang)要Electro-Photonics微波射頻,迎接(jie)點開左(zuo)測博主找咱們!!!