企業新聞
推送時(shi):2024-08-05 08:43:30 搜素(su):733

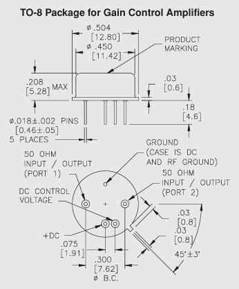
AGC525 TO-8增益控制放大器是由Teledyne防務電商生產的一款高(gao)性(xing)能(neng)產品。以下是該產品的詳細(xi)介紹:
基本參數
技術參數:AGC525 封裝:TO-8標準化規格尺寸封裝,使在收獲保持變小器 增加收益:主要臨界值25.5dB,輕柔的臨界值24.0dB至24.5dB 增益控制非常平整度:最好±0.8dB 躁聲數值:最多5.0dB,呈現突出 駐波比(SWR):插入工作輸出表層均小于等于2.0:1控制特性
調整位置:0到+5V AGC時間范疇:最高30dB,具體表現出寬時間范疇的調節功能 出現異常時間段:全AGC下值為10微秒,切回加速度更快。電氣特性
| Parameter | Typical | 0 to 50℃ | 55 to+85℃ |
| Frequency (Min.) | 10-600 MHz | 10-500 MHz | 10-500 MHz |
| Gain (Min.) Vo=0 | 25.5 dB | 24.5 dB | 24.0 dB |
| Gain Flatness(Max.) | ±0.5 dB | ±0.7 dB | ±0.8 dB |
| AGC Range(Min. | 30 dB | 26 dB | |
| Noise Figure (Max.) | 5.0 dB | 6.0 dB | 6.5 dB |
| SWR (Max.) Input/Output | <1.6:1 | 2.0:1 | 2.0:1 |
| Power Output (Min.) @1dB comp | +11.0 dBm | +10.0 dBm | +9.5 dBm |
| Response Time Full AGC | <10 μsec | ||
| DC Current(Max.) Bias | 45 mA | 48 mA | 51 mA |
| DC Current(Max.) Vo | 0 to 10 mA |
東莞 市立維創展網絡是Teledyne防務自(zi)動化(hua)的經售商,保證Teledyne防務電子設備貨品是指LDMOS、GaN、GaAs和InP。Teledyne防務網上產品設備線支持系統寬頻帶寬度、窄帶、激光脈沖縮放器,的頻率1MHz~220GHz,功效mW~10kW,優勢可言平臺出具Teledyne防務光電子購貨,感謝咨詢中心。