這個行業咨訊
頒布用(yong)時:2024-07-23 08:34:15 查詢:780
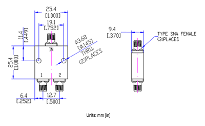
EPD-2L-SF是ELECTRO-PHOTONICS公(gong)司生產(chan)的一款寬(kuan)帶2路(0°)功(gong)率分(fen)配器(qi)/合路器(qi),適用(yong)(yong)于4.0至8.0 GHz頻段,在小型封裝中提供卓越的性能。該(gai)功(gong)率分(fen)配器(qi)的突出特點包(bao)括低插(cha)入損耗、小型尺寸以(yi)及高隔(ge)離度,適用(yong)(yong)于電子(zi)戰(zhan)、雷達(da)、測(ce)試和測(ce)量等領域。

特點及應用
- 4到8GHz工作頻率范圍內內的同相最大功率調整 - 狹窄設計的概念 - 低復制到衰減 - 常用以電子為了滿足電子時代發展的需求,戰、聲納、考試和檢測的電氣特性
頻點使用范圍: 4.0 – 8 GHz 放進去衰減: 最高0.5 dB (Excess IL = Common Port to Output Port IL ) - 3dB) 防曬隔離霜度: 較大20 dB 駐波比 (VSWR): 1.25 力度穩定性: ± 0.2 dB 相位和平: ± 2° 電功率治療專業能力: 正向著30 W,逆向1 W機械特性
進行連接端口: SMA (F) 作業溫度: -55°C 至 +85°C 非上班溫暖: -55°C 至 +100°C 村料/納米涂層: 鋁組成并涂有灰黑色環氧漆不飽和樹脂漆
ELECTRO-PHOTONICS成為(wei)25年的主動rf射(she)頻零件設計的與生(sheng)產(chan)加工生(sheng)產(chan)經驗,物品包函混(hun)合(he)式和定(ding)向(xiang)就業(ye)藕(ou)合(he)器(qi)(qi)、功分器(qi)(qi)、濾波器(qi)(qi)、測試板、要(yao)進行隔離(li)器(qi)(qi)、弧形器(qi)(qi)等(deng)物品。
上海(hai)市立維創展(zhan)網(wang)絡局限司代銷商包銷Electro-Photonics軟件。倘若要Electro-Photonics紅外光,青睞點開左測博(bo)主找讓我們!!!