服務業新聞資訊
發(fa)布公告準確時間:2024-07-15 08:59:06 預覽:6012
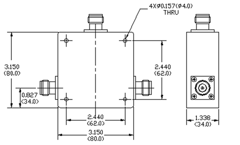
在無線通信和射頻工程領域,選擇合適的組件對于確保系統的高效運行至關重要。WENTEQ F2519-0280-29-N10大功率(lv)同軸射頻環(huan)行器正是(shi)這樣(yang)一款(kuan)專為滿足高(gao)要求應用而設(she)計的(de)先進設(she)備。本文將詳(xiang)細介紹其關鍵特性(xing)、電氣規格及(ji)其在實際應用中的(de)優勢。

| Part No | Freq Range MHz | Insertion Loss,dB | Reverse Isolation dB | VSWR | Forward Power Watts | Temp Range,℃ |
| F2519-0262-29-N10 | 225~300 | 0.6 Max | 18 | 1.35 | 250 | 0~+85 |
| F2519-0280-29-N10 | 240-320 | 0.5 Max | 18 | 1.35 | 250 | 0~+85 |
| F2519-0280-29-S01 | 240~320 | 0.5 Max | 20 | 1.25 | 50 | -40~+85 |
主要特點包括:
寬速率上行帶寬:幫助225-300 MHz和240-320 MHz等2個頻段。 鏈接器按鈕:帶來了N型或SMA母頭鏈接器,以及融合。 低放耗損:最大化不已超0.6 dB,確定電磁波高效能傳送。 高倒置消毒:通常18 dB,上升設計耐腐蝕性。 高電機工率解決:不支持高達mg250 Watts,常代替大電機工率應用場景。 不穩定的性抗用:約990克,保證 專用設備不穩定的性性。電氣規格:
這一款環行器是rf射頻工程項目師和wifi手機通信系統科研專家的很好采用,應使用于各種高標準情況。
成都 市立維創展社會是WENTEQ的(de)(de)經售商,主(zhu)要(yao)的(de)(de)可以提供WENTEQ護膚品(pin)收錄(lu)弧形器(qi)、防曬隔(ge)離(li)霜器(qi)、負荷用(yong)戶等,護膚品(pin)原版(ban)原產,效率絕對,市場價優(you)缺點(dian),祝賀(he)咨詢了解。。