制造業新聞資訊
公布(bu)的時(shi)間:2024-06-12 09:07:03 閱覽:837
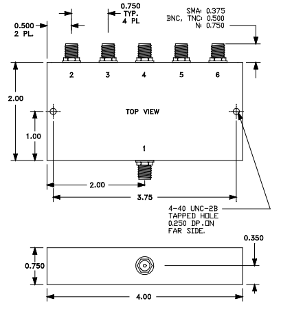
Synergy的DEK-701S是一款高性能的5路功率分配器,專為需要精確功率分配的應用而設計。該設備的關鍵特性包括寬頻帶、低損耗以及緊密控制的相位/幅度不平衡。其頻率范圍覆蓋了從0.05至30MHz,能夠滿足多(duo)種頻段的需求(qiu)。

在插入損耗方面,DEK-701S在不同頻段下的表現有所不同,從0.05至0.5MHz的頻段內,插入損耗的典型值為0.3dB,而在15至30MHz的頻段內,這一數值上升至0.6dB。隔離度(du)方面,設(she)備在(zai)不(bu)同頻段下也提供了(le)具(ju)體的(de)典型值和(he)最小(xiao)值,確保了(le)信號的(de)清晰分離。

相位不平衡量最大為4度,幅度不平衡量最大為0.3dB,這些參數(shu)保證了功率分配的穩定(ding)性和精(jing)確度。輸(shu)出阻抗為50Ohms,最(zui)大輸(shu)入功率為1瓦特,這些規格使(shi)得DEK-701S能(neng)夠(gou)(gou)適應多種功率需求。操作溫(wen)度范圍從(cong)-40至+85°C,這意味(wei)著DEK-701S能(neng)夠(gou)(gou)在(zai)極(ji)端的溫(wen)度條件下穩定(ding)工作,適合在(zai)各種環境中(zhong)的應用。連接器(qi)類(lei)型為SMA母頭(tou),其中(zhong)一個是輸(shu)入端口,其余四個為輸(shu)出端口,方便與(yu)各種設備(bei)連接。
規格參數:
| SPECIFICATIONS (Rev.B 08/30/06) | |||
| Frequency | 0.05-30 MHz | ||
| Insertion Loss (dB)* | Freq (MHz) | Typ. | Max |
| 0.05-0.5 | 0.5 | 0.9 | |
| 0.5-15 | 0.3 | 0.7 | |
| 15-30 | 0.6 | 1 | |
| lsolation (dB) | |||
| Freq (MHz) | Typ. | Min | |
| 0.05-0.5 | 25 | 20 | |
| 0.5-15 | 30 | 25 | |
| 15-30 | 25 | 20 | |
| Phase Unbalance(Deg.) | 4°(Max.) | ||
| Amplitude Unbalance (dB) | 0.3 (Max.) | ||
| Output Impedance | 50 Ohms (Nom.) | ||
| Input Power | 1 Watt (Max.) | ||
| Operating Temperature Range | 40 to +85°C | ||
| *In excess of the 7 dB theoretical split loss | |||
山東市立維創展科技開發是Synergy的銷(xiao)售商(shang)商(shang),基(ji)本(ben)出具Synergy微波(bo)射(she)頻(pin)壓控諧(xie)振器(qi)、結晶體(ti)諧(xie)振器(qi)、鎖相(xiang)(xiang)諧(xie)振器(qi)、鎖相(xiang)(xiang)環頻(pin)率獲得器(qi)、混頻(pin)器(qi)等(deng)物(wu)品,物(wu)品應用于新加坡中南部的進行檢(jian)修通道,快(kuai)捷反映中國(guo)內地投資者的消費需求。歡迎(ying)辭服務咨詢。