17500-4015S SSBP多同軸Micro-D數據線插孔長絕緣性子SOUTHWEST
公(gong)布準確時間:2024-06-04 08:56:02 打(da)開(kai)網頁:895
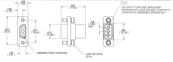
型號17500-4015S SSBP多同軸Micro-D電纜插頭長絕緣子是由SOUTHWEST華北微波加熱制造的(de)一款高性能連接器(qi)組(zu)件。該插頭專為Micro-D連接器(qi)系統設計(ji),適(shi)用于高密度、多(duo)通(tong)道的(de)應用場景(jing),尤其是在(zai)對頻率、帶(dai)寬和信號損耗(hao)有嚴格要求的(de)通(tong)信環境中表現出色。

的建材和外表整理工作方面,該電源插座就多留幾個的塑料殼選取鋁碳素鋼6061的建材,并遵照ASTM B221的規范規則單位化實現生產造成,外表歷經無電解法鎳化學鎳整理,合乎國家ASTM
B733-90的規范規則單位化,以上升耐灼傷性強性性和實用性。絕緣電阻帶子選取ULTEM 1000的建材,合乎國家ASTM
D5205的規范規則單位化,還具有不錯的電器絕緣電阻帶的穩定性和耐持續高溫的穩定性。確定夾選取BeCu碳素鋼(UNS-C17200),遵照ASTM
B194的規范規則單位化造成,確定電源插座就多留幾個與插座就多留幾個的結實拼接。填色有機物為丙稀酸樹脂膠,廣泛用于保護性內層機構和上升局部的穩定性。重新安裝來源于選取不銹鋼圓管的建材,合乎國家SAE-AMS-QQ-S-763的規范規則單位化,外表實現鈍化整理,合乎國家ASTM
A967的規范規則單位化,以強化抗灼傷的穩定性力。 該插孔的亮點屬于六個同軸插孔,專為SSBP(Shielded Single Bayonet
Plug)裝修設計,所有的SSBP和警報接接點幾乎都是可添加和可移除的,有利維護與保養和撤換,利用標M81969/39-01添加/拔除方法就行實操。墻壁電源插座接接點與MIL-C-39029/64標的警報墻壁電源插座接接點兼容,確保安全生產了健康的對換性和性能。面積和角度看院校各用為4英寸和度數,括號內的面積以豪米為院校,簡單用戶的會按照不一樣的需要實施選澤和怎么安裝。

東莞 市立維創展科枝具備SOUTHWEST江(jiang)南紅外光大一部分機型(xing)帶(dai)來現(xian)貨交(jiao)易(yi)廠品(pin),并請求帶(dai)來技巧扶持(chi)與(yu)售后(hou)維(wei)修服(fu)務(wu)培訓服(fu)務(wu)培訓。
商品詳情頁熟知SOUTHWEST江南紅外光請彈框://dev.www.zb5858.cn/brand/7.html