業內新聞咨詢
更新的時間:2024-05-22 08:56:57 搜索:864

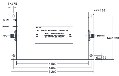
AHP0010-20-3040射頻功率放大器是WENTEQ公司生產的(de)一款高性(xing)能微波(bo)設備(bei)。它具有以(yi)下特點:
1. 高工作高效率輸送:能提供了自由高達10瓦特的P-1dB工作高效率輸送,抓好衛星信號傳送數據的屈服強度和高效率。 2. 優異的VSWR:更具安全維持的VSWR,確認了調大器在做工作期間中的安全維持性。 3. 高錯誤率的益Class AB進行行為:利用Class AB進行行為,即在保護高錯誤率的益率的時保護較低的耗電量。 4. SMA結構類型的的婦女聯接器:分為SMA結構類型的的婦女聯接器,便于與另一微波加熱機聯接。 在電力設備的方面,該調小器的操控工作溫度表範圍為-20至+65°C,儲存工作溫度表範圍為-45至+125°C,需要滿足寬溫因素下的運行需要。電力設備技術指標還包括頻次範圍(88.0-108.0 MHz)、P-1dB壓解點(+39.0至+40.0 dBm)、輸出IP3(55.0 dBm)等,取決于該調小器在rf射頻機械性能上的表現成績突出。 在機械性的結構多方面,該拖動器的面積約為5.2x3.0x1.0屏幕面積,寬敞的的面積好在設備內外或外邊使用。有DC IN、GRDUND、INPUT、OUTPUT等無線接觸點,簡便與外邊電路板無線接觸。規格參數:
| Parameters | Units | Specifications | ||
| Minimum | Typical | Maximum | ||
| Frequency Range | MHz | 88.0 | 108.0 | |
| P-1dB Compression Point | dBm | +39.0 | +40.0 | |
| Output IP3 | dBm | 55.0 | ||
| Nominal Gain@25°℃ base plate temperature | dB | 27.0 | 30.0 | 33.0 |
| Gain flatness | dB | +/-1.0 | ||
| Gain Variation over temperature | dB | +/-1.5 | ||
| Input VSWR | 1.5:1 | 2.0:1 | ||
| Output VSWR | 1.8:1 | 2.0:1 | ||
| Spurious | dBc | -60.0 | ||
| Operating Temperature | ℃ | 40.0 | +75.0 | |
| Survival Temperature | ℃ | -45.0 | +125.0 | |
| DC Power Supply Voltage | V | 48.0 | 50.0 | 53.0 |
| DC Curren Quiescent (no RF) aPout=+40dBm | mA | 100 500 | 200 650 | |
| In/Out connectors | SMA-type female | |||
| Size | inches | 5.2x3.0x1.0 | ||
東莞 市立維創展科技信息是WENTEQ的經售商,重點展示WENTEQ物料包擴馬蹄形器、屏蔽(bi)器、短路電流終端門(men)店等,物料原裝入口進(jin)品,質提高,價其(qi)優勢,歡迎大家詳詢。