BXMP1012低噪音風機污染微波射頻擴大器API Tech
更新時光:2024-05-08 08:52:00 搜素:704

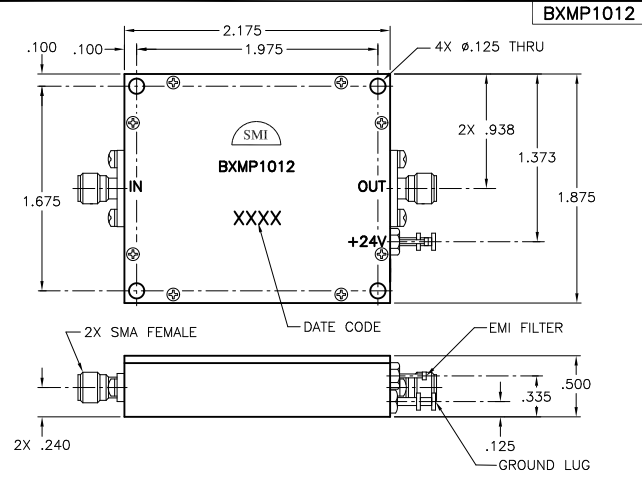
BXMP1012低燥聲放小器一款專為要低燥聲、高線性網絡度和高所在耗油率的應運而制定的放小器。它兼具低于首要優缺點特點和優缺點: 1. 低噪音因子:一般臨界值3.7 dB,主要臨界值4.0 dB,可用來于規范要求高信噪比的應用領域場地。 2. 高中階斷開點:先進典型值>+49 dBm,確定在對高波幅讀取電磁波時不容易形成明顯的的非線形模糊。 3. 高中階和二階雙音斷開點:對應為+95 dBm(主要表現值)和+93 dBm(主要表現值),就可以整理大大度的搜索警報而不易應響。 4. 高工作電壓1 dB再壓縮點:典例參考值+32 dBm,內容輸出工作電壓大,在高短路電流的情況下仍能實現較低模糊。 5. 上班溫暖比率廣:選廣泛用于-55℃至+100℃的上班周圍環境溫暖,-62 ℃至 +125 ℃的放置溫暖特殊要求。 6. 速率的范圍大范圍:0.5 - 35 MHz,可實現其他速率下的使用業務需求。 7. 鍵入/效果最大工作電壓及收獲年紀模糊:含有模糊的最大工作電壓、收獲和壓解點年紀,不便用戶賬戶在裝修設計和軟件應用時參與精確性標記。 8. VSWR低:投入和所在電壓降駐波比均超過1.5:1,保持數據互傳高效率。 9. 采用教育行業領域大范圍:無線wifi通信設施設備、聲納、自測設施設備等教育行業領域,采用以都要處里細小手機數據并保持良好手機數據完好性和效率的景象。
| CHARACTERISTIC | TYPICAL Ta=25 ℃ | MIN/MAX Ta =0℃ to+50℃ |
| Frequency | 0.5 -35 MHz | 05-35 MHz |
| Gain(dB) | 22 | 21.5 Min./ 22.5 Max |
| Gain Flatness (dB) | 0.5 | 0.5 Min. |
Power @ 1 dB Comp.(dBm) | +32 | +31 Min |
| P2(dBm)5-35 MHz | 93 | 90 Min |
| IP3(dBm | 49 | 47 Min. |
Reverse lsolation (dB) | 27 | 26 Min. |
| VSWR | In Out | <1.5:1 <1.5:1 | 1.5:1 Max 1.5:1 Max |
| Noise figure (dB) | 3.7 | 4.0 Max |
Powe Vdc mA | +24 425 | +24 450 Max |