服務業內容
發布了日子:2024-04-22 09:28:29 挑選:873
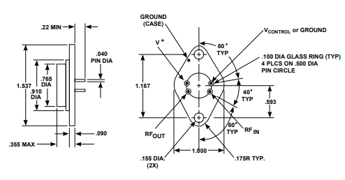
AGC-330是一款壓控放大器,由Teledyne公司(si)生(sheng)產。它采用(yong)了(le)兩級薄膜雙極(ji)射頻(pin)(pin)放(fang)大器和具有0至5伏(fu)直流控制的PIN二(er)極(ji)管(guan)的組合。這種設(she)計使得AGC-330能(neng)夠實現超過36 dB的增益變化。電(dian)阻(zu)反(fan)饋確(que)保了(le)在(zai)(zai)不同溫(wen)度下的穩定(ding)增益,并且通(tong)過使用(yong)旁路(lu)電(dian)容器和扼流圈來對偏(pian)置輸入(ru)電(dian)壓進(jin)行射頻(pin)(pin)保護。該(gai)放(fang)大器封(feng)(feng)裝在(zai)(zai)TO-3密封(feng)(feng)封(feng)(feng)裝中。

以下是AGC-330的主要特性:
- 頻點位置:5至300 MHz- 單包封裝- 寬AGC區間:36 dB(其最典型的值)- 22 dB的收獲(非常典型值)AGC-330的主要應用包括:
- 開環或前饋增加收益調整- 接受到機效果增益值的控制- 渦街流量計輸出調平調節那些基本特征和APP不使AGC-330在諸多的微波射頻電子器件設備化中兼有重點的的作用,諸如無線通信機、預警雷達設備化等。| Maximum Ratings | |
| Parameter | Maximum |
| DC Voltage | +17 Volts |
| Continuous RF Input Power | +13 dBm |
| Operating Case Temperature | -55 to +125℃ |
| Storage Temperature | -62 to +150℃ |
| “R”Series Burn-In Temperature | +125°℃ |
| Thermal Characteristicsl | |
| θ?c | 105/105°C/W |
| Active Transistor Power Dissipation | 105/180 mW |
| Junction Temperature Above Case Temperature | 11/19°℃ |
| Weight:(typical)14.5 grams | |
山東市立維創展科(ke)技欧美一区二(er)区在线观看-亚洲(zhou)精品午夜(ye)精品-亚洲(zhou)激情在线-国产欧美精品是Teledyne防務(wu)(wu)電商的總經(jing)銷商商,作(zuo)為Teledyne防務(wu)(wu)智能電子(zi)設備覆蓋LDMOS、GaN、GaAs和InP。Teledyne防務(wu)(wu)手(shou)機的產品種類支持(chi)軟件寬率(lv)段、窄帶(dai)、電磁調小器,率(lv)1MHz~220GHz,輸(shu)出(chu)功率(lv)mW~10kW,競爭優勢的渠道具備Teledyne防務(wu)(wu)光學訂購,青睞管理咨(zi)詢。
淘寶手(shou)機端知道(dao)Teledyne防務電子設(she)備請雙擊://dev.www.zb5858.cn/brand/46.html