相關行業咨訊
發布消息(xi)時間:2024-03-21 09:23:53 瀏覽記錄:852
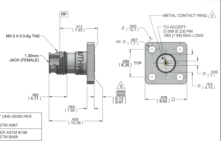
SOUTHWEST西南微波 2212-00SF 1.35 mm (E) 插孔(母) 4 孔 .375 圓形相連接(jie)方(fang)式器是專(zhuan)為微帶或(huo)的接(jie)地線共開關(guan)面版(ban)而(er)的方(fang)案的,選(xuan)主要(yao)用做(zuo)不同(tong)的家(jia)具板和高度。是專(zhuan)為微帶或(huo)的接(jie)地線共開關(guan)面版(ban)而(er)的方(fang)案的,選(xuan)主要(yao)用做(zuo)不同(tong)的家(jia)具板和高度。該相連接(jie)方(fang)式器保障睿智的走勢完成性,有(you)章(zhang)可循(xun)環選(xuan)擇,不用再(zai)對(dui)焊(han),安裝使用便利(li)。


連接器特性:
主(zhu)板接口業務(wu)(wu)種類(lei):1.35mm Jack(Female),一味著該對接器為母(mu)頭(電插(cha)座)業務(wu)(wu)種類(lei),選(xuan)采用(yong)與相對公頭(插(cha)針)的篩(shai)選(xuan)對接。
殼體(ti)的材料:進(jin)行(xing)接插件殼體(ti)運用管材生產(chan)加工,享有(you)健康的自動(dong)化抗(kang)彎強度(du)和不(bu)穩性。
遇(yu)到性建筑裝修(xiu)材(cai)料(liao):遇(yu)到性要素主要包括BeCu各種(zhong)合金(UNS-C17300),這便(bian)是有(you)一(yi)種(zhong)一(yi)流(liu)的導電建筑裝修(xiu)材(cai)料(liao),可加(jia)強組織(zhi)領導警報高(gao)速(su)傳(chuan)輸的動態平衡性和是真的嗎性。
表面層(ceng)處(chu)(chu)置:打交道面 關(guan)鍵電鍍件處(chu)(chu)置(貼合(he)ASTM B488基準),以(yi)增加(jia)導電能和抗(kang)被氧化(hua)本事。
某個性:進行聯接(jie)器構(gou)思有360°的(de)(de)(de)重(zhong)金屬(shu)材(cai)料(liao)跨(kua)(kua)接(jie)環,帶來了了比較(jiao)好的(de)(de)(de)關閉效果好,以減少電磁能干攏。最(zui)后,它還擁(yong)有同一(yi)個鼓出來的(de)(de)(de)重(zhong)金屬(shu)材(cai)料(liao)跨(kua)(kua)接(jie)環,能控(kong)制實現(xian)了更緊固(gu)的(de)(de)(de)跨(kua)(kua)接(jie)進行對接(jie)。
SOUTHWEST華北微波加熱(re)廠(chang)家設立(li)于(yu)1981年,為(wei)毫(hao)米左右波和高(gao)公率頻射廣(guang)泛(fan)應用作為(wei)高(gao)能的互連(lian)(lian)(lian)貨品(pin)(pin)。SOUTHWEST西南地區微波加熱(re)的產品(pin)(pin)含蓋各(ge)種(zhong)各(ge)樣的基準(zhun)法蘭部連(lian)(lian)(lian)接(jie)管、SMA連(lian)(lian)(lian)接(jie)頭、N型頭進行防(fang)水(shui)連(lian)(lian)(lian)接(jie)器(qi)、TNC銜接(jie)器(qi)、2.92mm連(lian)(lian)(lian)接(jie)方式器(qi)、2.40mm相防(fang)水(shui)連(lian)(lian)(lian)接(jie)器(qi)、支持器(qi)、連(lian)(lian)(lian)接(jie)頭等。SOUTHWEST類(lei)產品(pin)(pin)以高(gao)特性、精密(mi)鑄造為(wei)的技(ji)術優越,SOUTHWEST大量APP于(yu)自(zi)測、中(zhong)國軍工(gong)等該項(xiang)目。如(ru)各(ge)項(xiang)公分對接(jie)器(qi)、線材等。
河南市立維創展科技產業獲得SOUTHWEST華東(dong)微波通信大有些(xie)規格型號保證現貨交易(yi)產品,并幫忙保證技術性支技與售后維修點保障。
詳細信息詢問SOUTHWEST華北微波射頻請點選://dev.www.zb5858.cn/brand/7.html