該行業信息資訊
發布新聞精力:2024-03-18 17:08:10 訪問 :826
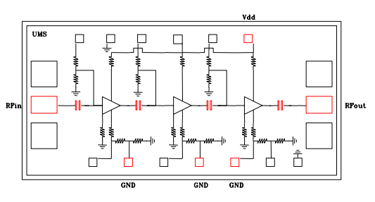
UMS的CHA2069-99F是款三階段自偏置帶寬單面低低頻噪音縮放器。
CHA2069-99F用標準單位化 pHEMT 方法能力:0.25μm 柵極圖片尺寸、橫穿基材的通孔、氧氣橋和電(dian)子無線束柵神行者刻的技術(shu)。
CHA2069-99F以電子器件策略給予。

大部分的特征
移動(dong)寬(kuan)帶耐腐蝕性16-31GHz
2.5dB相位嘈音
低直流電(dian)壓電(dian)功(gong)用耗費,55mA
20dBm三(san)階截距點
打包封(feng)裝(zhuang)尺寸圖:2170 x 1270x0.1mm
山東市立維創(chuang)展科枝(zhi)有局(ju)限司授(shou)權證(zheng)書經銷商UMS微波加熱(re),重視(shi)位置形號的(de)UMS成品帶(dai)來了上(shang)等(deng)的(de)期貨成品存量(liang),歡迎(ying)語網絡咨詢。